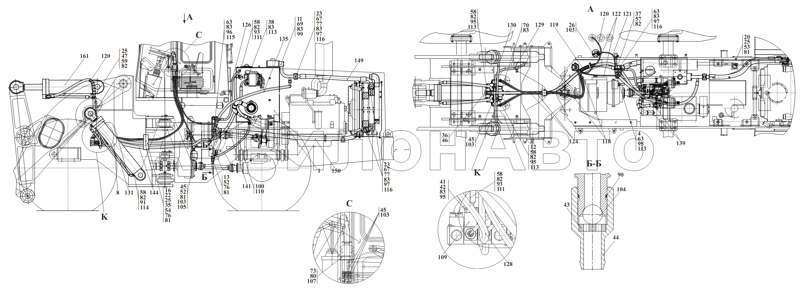
Гидросистема рабочего оборудования 371.45.00.000 (погрузчик АМКОДОР 371А), 371.45.00.000-01 (погрузчик АМКОДОР 371А-01)
| № |
Артикул |
Наименование детали |
Кол-во в узле |
| 1 |
361.45.10.000-01 |
Гидростанция
|
1 шт
|
|
| 4 |
361.45.52.100 |
Клапан переливной
|
1 шт
|
|
| 8 |
361.45.66.000 |
Гидроцилиндр стрелы
|
2 шт
|
|
| 8 |
ЦГ160.80х900.11 |
Гидроцилиндр стрелы
|
2 шт
|
|
| 11 |
371.45.00.060 |
Коллектор
|
1 шт
|
|
| 12 |
371.45.00.100 |
Коллектор
|
2 шт
|
|
| 13 |
371.45.00.150 |
Угольник
|
1 шт
|
|
| 16 |
361.45.00.003 |
Пластина
|
2 шт
|
|
| 20 |
361.45.50.011 |
Скоба
|
1 шт
|
|
| 22 |
361.45.50.016 |
Переходник
|
1 шт
|
|
| 23 |
361.45.50.018 |
Прокладка
|
3 шт
|
|
| 25 |
361.45.50.020 |
Пластина
|
5 шт
|
|
| 26 |
361.45.50.022 |
Заглушка
|
1 шт
|
|
| 35 |
371.45.00.002 |
Колодка
|
2 шт
|
|
| 36 |
371.45.00.003 |
Пробка
|
1 шт
|
|
| 37 |
371.45.00.004 |
Плита
|
1 шт
|
|
| 38 |
371.45.00.006 |
Винт
|
4 шт
|
|
| 41 |
371.45.00.009 |
Переходник
|
2 шт
|
|
| 42 |
371.45.00.015 |
Винт
|
8 шт
|
|
| 43 |
ТО-27-1-1601.00.003 |
Шайба
|
1 шт
|
|
| 44 |
ТО-27-1-1601.00.004 |
Ниппель
|
1 шт
|
|
| 45 |
УДГ101.17.001 |
Штуцер
|
13 шт
|
|
| 46 |
УДГ109.03.001 |
Заглушка
|
1 шт
|
|
| 47 |
УДГ117.04.011 |
Колодка верхняя
|
2 шт
|
|
| 52 |
М8-6gx20.88.35.0115 |
Болт
|
4 шт
|
|
| 53 |
М8-6gx60.56.0115 |
Болт
|
2 шт
|
|
| 54 |
М8-6gx100.56.0115 |
Болт
|
4 шт
|
|
| 57 |
M10-6gx30.56.0115 |
Болт
|
3 шт
|
|
| 58 |
M10-6gx35.88.35.0115 |
Болт
|
60 шт
|
|
| 59 |
M10-6gx50.56.0115 |
Винт
|
4 шт
|
|
| 63 |
M12-6gx35.88.35.0115 |
Болт
|
16 шт
|
|
| 67 |
M12-6gx60.56.0115 |
Болт
|
12 шт
|
|
| 69 |
M12-6gx85.56.0115 |
Болт
|
4 шт
|
|
| 70 |
M12-6gx110.56.0115 |
Болт
|
3 шт
|
|
| 73 |
В.М6-6gx16.46.0115 |
Винт
|
4 шт
|
|
| 76 |
М8-6Н.5.0115 |
Гайка
|
6 шт
|
|
| 77 |
М12-6Н.5.0115 |
Гайка
|
12 шт
|
|
| 80 |
6.65Г.0115 |
Шайба
|
4 шт
|
|
| 81 |
8.65Г.0115 |
Шайба
|
10 шт
|
|
| 82 |
10.65Г.0115 |
Шайба
|
67 шт
|
|
| 83 |
12.65Г.0115 |
Шайба
|
47 шт
|
|
| 90 |
030-035-30-2-2 |
Кольцо
|
1 шт
|
|
| 91 |
025-031-36-2-2 |
Кольцо
|
8 шт
|
025-031-36-2-2
Кольцо
|
| 93 |
034-040-36-2-2 |
Кольцо
|
4 шт
|
|
| 95 |
039-045-36-2-2 |
Кольцо
|
7 шт
|
|
| 96 |
049-055-36-2-2 |
Кольцо
|
2 шт
|
|
| 97 |
057-063-36-2-2 |
Кольцо
|
7 шт
|
|
| 99 |
074-080-36-2-2 |
Кольцо
|
1 шт
|
074-080-36-2-2
Кольцо
|
| 100 |
20x29-1.6 |
Рукав
|
1 шт
|
|
| 103 |
14М3 |
Прокладка
|
14 шт
|
|
| 104 |
22.225-100 |
Шарик
|
1 шт
|
|
| 105 |
HC-SE2V0530RXG02 |
Блок питания
|
1 шт
|
|
| 107 |
HC-RCX-02A22MBА01МАХЗ |
Блок управления
|
1 шт
|
|
| 109 |
HC-D25/2-IR018210-AS07 |
Гидрораспределитель
|
1 шт
|
|
| 110 |
20-32/9-C7W2 |
Зажим TORRO
|
2 шт
|
|
| 111 |
NP25СЕРИЯ3000 |
Полуфланец
|
8 шт
|
|
| 111 |
Р10FIS8184LINP25SAEI518В |
Полуфланец
|
8 шт
|
|
| 113 |
Р10FIS8184L11/4NP32SAEI518В |
Полуфланец
|
10 шт
|
|
| 114 |
ASF302 |
Полуфланец
|
16 шт
|
|
| 115 |
ASF305 |
Полуфланец
|
4 шт
|
|
| 116 |
ASF306 |
Полуфланец
|
14 шт
|
|
| 118 |
TKUV30/87.6X280 |
Кабельная стяжка
|
5 шт
|
|
| 119 |
SSK50 |
Лента спиральная защитная
|
1 шт
|
|
| 120 |
SSK40 |
Лента защитная спиральная
|
2 шт
|
|
| 121 |
1SNNP6x650А60А61 |
Рукав
|
1 шт
|
|
| 122 |
1SNNP6x850A60A61 |
Рукав высокого давления
|
1 шт
|
|
| 123 |
1SNNP6x1850A60A61 |
Рукав высокого давления
|
2 шт
|
|
| 124 |
1SNNP6x3000A60A61 |
Рукав высокого давления
|
4 шт
|
|
| 126 |
2SNNP20x1300A81A8390° |
Рукав
|
1 шт
|
|
| 128 |
4SpNp20x1000P10P11 |
Рукав
|
1 шт
|
|
| 129 |
4SpNp20x1200P10P11 |
Рукав
|
1 шт
|
|
| 130 |
4SpNp20x1000P11P11125° |
Рукав
|
1 шт
|
|
| 131 |
4SpNp20x1400P11P11225° |
Рукав
|
1 шт
|
|
| 135 |
1SNNP25x1850A70A71 |
Рукав
|
1 шт
|
|
| 139 |
4SpNp25x850P11A70 |
Рукав
|
2 шт
|
|
| 141 |
4SpNp32x3700P11P11 |
Рукав
|
1 шт
|
|
| 144 |
1SNNP40x2250P10P11 |
Рукав
|
1 шт
|
|
| 149 |
VlNp50x1400P10P11 |
Рукав
|
1 шт
|
|
| 150 |
VlNp50x2500P10P10 |
Рукав
|
1 шт
|
|
| 161 |
361.45.68.000 |
Гидроцилиндр ковша
|
1 шт
|
|
| 161 |
361.45.68.000-01 |
Гидроцилиндр ковша
|
1 шт
|
|
Список просмотренных товаров пуст
AlfaSystems GoPro GP261D21