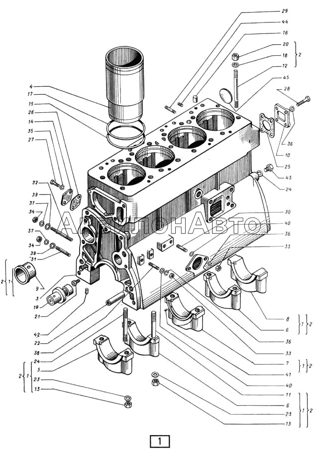
Блок-картер СМД-14НГ,-14БН,-15Н,-19,-20
№ |
Артикул |
Наименование детали |
Кол-во в узле |
|
СМД7-0684 |
Прокладка
|
1 шт
|
|
|
СМД9-0128 |
Кольцо уплотнительное
|
4 шт
|
|
1 |
14-01С2-2А |
Блок-картер
|
1 шт
|
|
2 |
14-01С13А |
Блок-картер
|
1 шт
|
|
3 |
14-0101-2Г |
Блок-картер
|
1 шт
|
|
4 |
14-0102 |
Гильза цилиндра
|
4 шт
|
|
5 |
14-0104-2А |
Крышка первого коренного подшипника
|
1 шт
|
|
6 |
14-0105-3А |
Крышка второго и четвертого коренных подшипников
|
2 шт
|
|
7 |
14-0106-3А |
Крышка третьего коренного подшипника
|
1 шт
|
|
8 |
14-0107-3А |
Крышка четвертого коренного подшипника
|
1 шт
|
|
9 |
СМД14-0109 |
Подшипник распределительного вала передний
|
1 шт
|
|
10 |
15-0112 |
Крышка задняя
|
1 шт
|
|
11 |
14-0117-1 |
Шпилька коренных подшипников
|
8 шт
|
|
12 |
14-0116 |
Шпилька крепления головки
|
17 шт
|
|
13 |
СМД1-0118 |
Гайка коренных подшипников
|
10 шт
|
|
14 |
14-0120 |
Крышка фланца
|
1 шт
|
|
15 |
СМД9-0128А |
Кольцо уплотнительное
|
4 шт
|
|
16 |
СМД1-0130 |
Втулка
|
1 шт
|
|
17 |
14-0141 |
Кольцо
|
4 шт
|
|
18 |
14-0150 |
Шайба
|
17 шт
|
|
19 |
14-01С18А |
Палец с заглушкой
|
1 шт
|
|
20 |
14-0163 |
Гайка
|
17 шт
|
|
21 |
СМД7-0164 |
Пробка
|
1 шт
|
|
22 |
СМД7-0166 |
Втулка направляющая
|
2 шт
|
|
23 |
СМД7-0168 |
Шайба специальная
|
10 шт
|
|
24 |
14-0185 |
Шпилька коренных подшипников
|
2 шт
|
|
25 |
СМД1-1329 |
Прокладка патрубка
|
1 шт
|
|
26 |
17К-2827 |
Прокладка
|
1 шт
|
|
27 |
М8-6gх16.88 |
Болт
|
2 шт
|
|
28 |
М10-6gх25.88 |
Болт
|
4 шт
|
|
29 |
М8х20.56 |
Шпилька
|
2 шт
|
|
30 |
М10х22.56 |
Шпилька
|
2 шт
|
|
31 |
М12х40.56 |
Шпилька
|
2 шт
|
|
32 |
М12х115.56 |
Шпилька
|
2 шт
|
|
33 |
М10-6Н.6 |
Гайка
|
4 шт
|
|
34 |
М12-6Н.6 |
Шайба
|
4 шт
|
|
35 |
865Г05 |
Шайба
|
2 шт
|
|
36 |
1065Г05 |
Шайба
|
4 шт
|
|
37 |
1265Г05 |
Шайба
|
4 шт
|
|
38 |
М10х28.56 |
Шпилька
|
2 шт
|
|
39 |
12х2.04.05 |
Шайба
|
4 шт
|
|
40 |
10х1,5.04.05 |
Шайба
|
4 шт
|
|
41 |
5С3х10 |
Штифт
|
4 шт
|
|
42 |
8С3х20 |
Штифт
|
2 шт
|
|
43 |
Н-5885 |
Пробка резьбовая
|
1 шт
|
|
44 |
КГ3/8" |
Пробка
|
3 шт
|
|
45 |
60-002 |
Заглушка
|
1 шт
|
|
Список просмотренных товаров пуст
AlfaSystems GoPro GP261D21