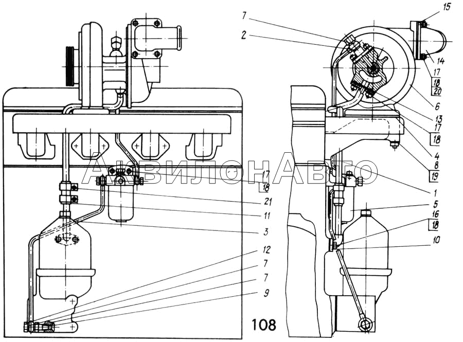
Установка турбокомпрессора СМД-14НГ,-14БН,-15Н,-19,-20
№ |
Артикул |
Наименование детали |
Кол-во в узле |
|
17К-28С7-2 |
Патрубок маслоотводящий
|
1 шт
|
|
|
18К-28С5-2 |
Трубка
|
1 шт
|
|
1 |
20-28С3-1 |
Трубка маслоотводящая
|
1 шт
|
|
2 |
20-28С4-1 |
Трубка маслоотводящая
|
1 шт
|
|
3 |
17К-28С5А |
Трубка
|
1 шт
|
|
4 |
17К-28С8 |
Прокладка турбины
|
1 шт
|
|
5 |
17К-28С9А |
Фильтр
|
1 шт
|
|
6 |
122.30001.10 |
Турбокомпрессор ТКР11Н-10
|
1 шт
|
|
7 |
СМД7-1539А |
Прокладка
|
4 шт
|
|
8 |
14-0710 |
Гайка
|
6 шт
|
|
9 |
17К-2806А |
Переходник
|
1 шт
|
|
10 |
17К-2827 |
Прокладка
|
1 шт
|
|
11 |
17К-2840 |
Шланг соединительный
|
1 шт
|
|
12 |
17К-2845 |
Болт зажимной
|
1 шт
|
|
13 |
18К-2843-1 |
Прокладка
|
1 шт
|
|
14 |
20-2801 |
Патрубок
|
1 шт
|
|
15 |
20-2802 |
Прокладка
|
1 шт
|
|
16 |
М8-6gх25.88 |
Винт
|
2 шт
|
|
17 |
М8-6Н.6 |
Гайка
|
8 шт
|
|
18 |
865Г05 |
Шайба
|
10 шт
|
|
19 |
1265Г05 |
Шайба
|
6 шт
|
|
20 |
8х1,5.04.05 |
Шайба
|
4 шт
|
|
21 |
Н-66С1 |
Хомут стяжной
|
2 шт
|
|
Список просмотренных товаров пуст
AlfaSystems GoPro GP261D21