№ |
Артикул |
Наименование детали |
Кол-во в узле |
|
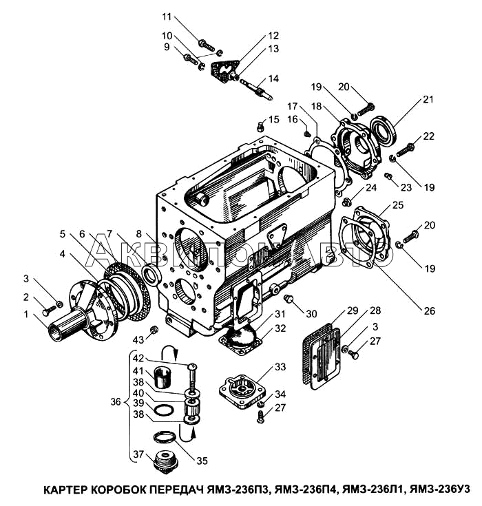
236-1701009-Б |
Картер коробки передач с шайбами в сборе
|
1 шт
|
236-1701009-Б
Картер коробки передач с шайбами в сборе
|
|
236У-1701205-А3 |
Крышка заднего подшипника вторичного вала
|
1 шт
|
|
1 |
236-1701040-А |
Крышка подшипника первичного вала
|
1 шт
|
236-1701040-А
Крышка подшипника первичного вала
|
2 |
201499-П29 |
Болт 10-6gх30
|
6 шт
|
|
3 |
200-1701041 |
Шайба
|
18 шт
|
|
4 |
201.1721414 |
Прокладка регулировочная
|
3 шт
|
201.1721414
Прокладка регулировочная
|
5 |
201.1721416 |
Прокладка регулировочная
|
2 шт
|
201.1721416
Прокладка регулировочная
|
6 |
236-1701042-А |
Прокладка крышки
|
1 шт
|
|
7 |
236-1701230 |
Манжета с пружиной в сборе
|
1 шт
|
|
8 |
236-1701015-Б |
Картер коробки передач
|
1 шт
|
|
9 |
310224-П29 |
Болт
|
1 шт
|
|
10 |
252135-П2 |
Шайба пружинная
|
3 шт
|
|
11 |
201457-П29 |
Болт М8х22
|
2 шт
|
|
12 |
236-3802069-Б |
Прокладка
|
1 шт
|
|
13 |
236-3802024 |
Втулка шестерни привода спидометра
|
1 шт
|
|
14 |
236-3802034-Б |
Шестерня привода спидометра
|
1 шт
|
|
15 |
236-1702182 |
Штифт верхний установочный
|
2 шт
|
|
16 |
236-3802074 |
Штифт упорный
|
1 шт
|
|
17 |
236У-1701203 |
Прокладка крышки заднего подшипника
|
1 шт
|
|
18 |
236-1701205-Б4 |
Крышка заднего подшипника вторичного вала
|
1 шт
|
236-1701205-Б4
Крышка заднего подшипника вторичного вала
|
19 |
252137-П2 |
Шайба пружинная
|
10 шт
|
252137-П2
Шайба пружинная
|
20 |
201544-П29 |
Болт М12х40
|
9 шт
|
|
21 |
210-1701210-А |
Манжета с пружиной в сборе
|
1 шт
|
|
22 |
200372-П29 |
Болт
|
1 шт
|
|
23 |
316105-П29 |
Пробка К1/8"
|
1 шт
|
|
24 |
316104-П29 |
Пробка
|
5 шт
|
|
25 |
236-1701074-А2 |
Крышка заднего подшипника промежуточного вала
|
1 шт
|
|
26 |
236-1701075-А |
Прокладка
|
1 шт
|
|
27 |
201497-П29 |
Болт М10х25
|
16 шт
|
|
28 |
236-1701020 |
Крышка люка отбора мощности
|
2 шт
|
|
29 |
200-1701021-А |
Прокладка
|
2 шт
|
|
30 |
316121-П29 |
Пробка К 1/4"
|
1 шт
|
|
31 |
336-1704049 |
Сетка заборника
|
1 шт
|
|
32 |
236-1704056-А |
Прокладка
|
1 шт
|
|
33 |
236-1704054-Б |
Крышка заборника
|
1 шт
|
|
34 |
252136-П2 |
Шайба 10 пружинная
|
4 шт
|
252136-П2
Шайба 10 пружинная
|
35 |
312336-П34 |
Шайба
|
1 шт
|
|
36 |
238-1721255 |
Пробка сливного отверстия с магнитом в сборе
|
1 шт
|
|
37 |
238-1721258 |
Пробка
|
1 шт
|
|
38 |
312480-П2 |
Шайба
|
2 шт
|
|
39 |
236-1704130 |
Кольцо пружинное
|
6 шт
|
|
40 |
3498413023 |
Магнит ФЭ 7.770.055
|
1 шт
|
|
41 |
236-1704128 |
Кожух магнита
|
1 шт
|
|
42 |
220116-П2 |
Винт
|
1 шт
|
|
43 |
316135-П2 |
Пробка
|
2 шт
|
|