| № |
Артикул |
Наименование детали |
Кол-во в узле |
|
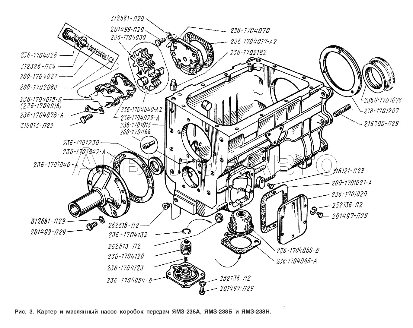
200-1701021-А |
Прокладка
|
200 шт
|
|
|
200-1701188 |
Втулка дроссельная
|
200 шт
|
|
|
200-1704027 |
Пружина клапана
|
1 шт
|
|
|
200-1704027 |
Пружина клапана
|
200 шт
|
|
|
201497-П29 |
Болт М10х25
|
12 шт
|
|
|
201499-П29 |
Болт 10-6gх30
|
10 шт
|
|
|
216300-П29 |
Шпилька
|
цинкование и пассивирование (цинковое с хроматированием) шт
|
|
|
236-1701020 |
Крышка люка отбора мощности
|
236 шт
|
|
|
236-1701040-А |
Крышка подшипника первичного вала
|
236 шт
|
236-1701040-А
Крышка подшипника первичного вала
|
|
236-1701042-А |
Прокладка крышки
|
236 шт
|
|
|
236-1701230 |
Манжета с пружиной в сборе
|
236 шт
|
236-1701230
Манжета с пружиной в сборе
|
|
236-1702182 |
Штифт верхний установочный
|
236 шт
|
|
|
236-1704017-А2 |
Прокладка основания
|
1 шт
|
|
|
236-1704017-А2 |
Прокладка основания
|
236 шт
|
|
|
236-1704018 |
Корпус масляного насоса в сборе
|
1 шт
|
|
|
236-1704026 |
Пробка клапана
|
1 шт
|
|
|
236-1704026 |
Пробка клапана
|
236 шт
|
|
|
236-1704029-Б |
Прокладка
|
1 шт
|
|
|
236-1704030 |
Шестерня ведомая
|
1 шт
|
|
|
236-1704040-А2 |
Шестерня ведущая в сборе
|
1 шт
|
|
|
236-1704050-Б |
Сетка заборника
|
236 шт
|
|
|
236-1704050-В |
Сетка
|
1 шт
|
|
|
236-1704054-Б |
Крышка заборника
|
1 шт
|
|
|
236-1704056-А |
Прокладка
|
1 шт
|
|
|
236-1704070 |
Основание масляного насоса
|
1 шт
|
|
|
236-1704078-А |
Планка стопорная
|
2 шт
|
|
|
236-1704120 |
Магнит пробки
|
1 шт
|
|
|
236-1704123 |
Пружина
|
236 шт
|
|
|
236-1704132 |
Кольцо запорное
|
236 шт
|
|
|
238-1701015 |
Картер коробки передач
|
238 шт
|
|
|
238-1701207 |
Кольцо центрирующее заднего подшипника вторичного вала
|
238 шт
|
|
|
238Н-1701078 |
Гнездо заднего подшипника промежуточного вала
|
238Н шт
|
238Н-1701078
Гнездо заднего подшипника промежуточного вала
|
|
252136-П2 |
Шайба 10 пружинная
|
12 шт
|
252136-П2
Шайба 10 пружинная
|
|
262513-П2 |
Пробка К3/4"
|
2 шт
|
|
|
262518-П2 |
Пробка
|
2 шт
|
|
|
310013-П29 |
Болт М10х35
|
4 шт
|
|
|
312326-П34 |
Шайба уплотнительная
|
1 шт
|
|
|
312581-П29 |
Шайба
|
10 шт
|
|
|
316121-П29 |
Пробка К 1/4"
|
1 шт
|
|