№ |
Артикул |
Наименование детали |
Кол-во в узле |
|
200-1601021 |
Втулка масляного насоса
|
3 шт
|
|
|
236-1702186 |
Кольцо запорное
|
1 шт
|
|
|
236-1704010 |
Насос масляный в сборе
|
1 шт
|
|
|
236-1704025 |
Ось ведомой шестерни
|
1 шт
|
|
|
238М-1701009-40 |
Картер коробки передач в сборе
|
1 шт
|
238М-1701009-40
Картер коробки передач в сборе
|
|
4691183460 |
Шарик Б4-100
|
1 шт
|
|
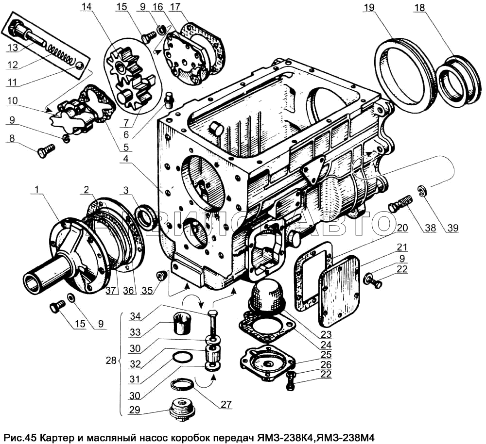
1 |
236-1701040-А |
Крышка подшипника первичного вала
|
1 шт
|
236-1701040-А
Крышка подшипника первичного вала
|
2 |
236-1701042-А |
Прокладка крышки
|
1 шт
|
|
3 |
236-1701230 |
Манжета с пружиной в сборе
|
1 шт
|
|
4 |
238М-1701015-40 |
Картер коробки передач
|
1 шт
|
|
5 |
236-1704029-А |
Прокладка
|
1 шт
|
|
6 |
236-1702182 |
Штифт верхний установочный
|
1 шт
|
|
7 |
236-1704040-А2 |
Шестерня ведущая в сборе
|
1 шт
|
|
8 |
310013-П29 |
Болт М10х35
|
4 шт
|
|
9 |
200-1701041 |
Шайба
|
26 шт
|
|
10 |
236-1704018 |
Корпус масляного насоса в сборе
|
1 шт
|
|
11 |
4691186660 |
Шарик замка штоков Б 9,525-100
|
1 шт
|
|
12 |
200-1704027 |
Пружина клапана
|
1 шт
|
|
13 |
236-1704026 |
Пробка клапана
|
1 шт
|
|
14 |
236-1704030 |
Шестерня ведомая
|
1 шт
|
|
15 |
201499-П29 |
Болт 10-6gх30
|
10 шт
|
|
16 |
236-1704070 |
Основание масляного насоса
|
1 шт
|
|
17 |
236-1704017-А2 |
Прокладка основания
|
1 шт
|
|
18 |
238М-1701078 |
Гнездо заднего подшипника промежуточного вала
|
1 шт
|
|
19 |
238М-1701207-41 |
Кольцо центрирующее заднего подшипника вторичного вала
|
1 шт
|
|
20 |
200-1701021-А |
Прокладка
|
2 шт
|
|
21 |
236-1701020 |
Крышка люка отбора мощности
|
2 шт
|
|
22 |
201497-П29 |
Болт М10х25
|
16 шт
|
|
23 |
236-1704049 |
Сетка заборника
|
1 шт
|
|
24 |
236-1704056-А |
Прокладка
|
1 шт
|
|
25 |
236-1704054-Б |
Крышка заборника
|
1 шт
|
|
26 |
252136-П2 |
Шайба 10 пружинная
|
4 шт
|
252136-П2
Шайба 10 пружинная
|
27 |
312669-П |
Прокладка пробки сливного отверстия
|
1 шт
|
|
28 |
238-1721255 |
Пробка сливного отверстия с магнитом в сборе
|
1 шт
|
|
29 |
238-1721258 |
Пробка
|
1 шт
|
|
30 |
312480-П2 |
Шайба
|
2 шт
|
|
31 |
236-1704130 |
Кольцо пружинное
|
6 шт
|
|
33 |
236-1704128 |
Кожух магнита
|
1 шт
|
|
34 |
220116-П2 |
Винт
|
1 шт
|
|
35 |
316135-П2 |
Пробка
|
2 шт
|
|
36 |
201.1721414 |
Прокладка регулировочная
|
3 шт
|
201.1721414
Прокладка регулировочная
|
37 |
201.1721416 |
Прокладка регулировочная
|
2 шт
|
201.1721416
Прокладка регулировочная
|
38 |
310235-П29 |
Болт
|
8 шт
|
|
39 |
252139-П2 |
Шайба пружинная
|
8 шт
|
|