№ |
Артикул |
Наименование детали |
Кол-во в узле |
|
240-1011034 |
Втулка корпуса
|
4 шт
|
|
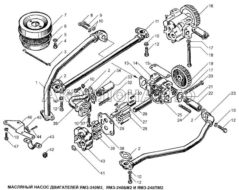
1 |
240-1011400-А |
Труба всасывающая в сборе
|
1 шт
|
|
1 |
240Б-1011400-А |
Труба всасывающая в сборе
|
1 шт
|
|
2 |
236-1011358-А |
Прокладка фланца
|
6 шт
|
|
3 |
204А-1011318-Б |
Крючок крепления сетки
|
1 шт
|
|
4 |
206513-П2 |
Болт М8х1х12
|
2 шт
|
|
5 |
252005-П2 |
Шайба 8
|
4 шт
|
|
6 |
204А-1011310-В |
Сетка заборника в сборе
|
1 шт
|
204А-1011310-В
Сетка заборника в сборе
|
7 |
204Б-1011300 |
Чашка заборника
|
1 шт
|
|
8 |
200270-П2 |
Болт М8х55
|
1 шт
|
|
9 |
201460-П2 |
Болт М8х30
|
1 шт
|
|
10 |
252135-П2 |
Шайба пружинная
|
16 шт
|
|
11 |
240-1011406-Б |
Труба отводящая в сборе
|
1 шт
|
|
12 |
201458-П29 |
Болт М8х25
|
8 шт
|
|
13 |
236-1011296 |
Прокладка переднего фланца
|
1 шт
|
236-1011296
Прокладка переднего фланца
|
14 |
240-1011018-А |
Корпус нагнетающей секции в сборе
|
1 шт
|
|
15 |
240-1011380 |
Прокладка регулировочная
|
2 шт
|
|
16 |
240-1011014-Б |
Насос масляный в сборе
|
1 шт
|
|
17 |
252136-П2 |
Шайба 10 пружинная
|
6 шт
|
252136-П2
Шайба 10 пружинная
|
19 |
240-1011230-А |
Шестерня привода масляного насоса
|
1 шт
|
|
20 |
200327-П2 |
Болт М10х90
|
4 шт
|
|
21 |
312571-П2 |
Шайба замковая
|
1 шт
|
|
22 |
236-1011048-Б |
Клапан нагнетающей секции редукционный в сборе
|
1 шт
|
236-1011048-Б
Клапан нагнетающей секции редукционный в сборе
|
23 |
240-1011351 |
Труба отводящая
|
1 шт
|
|
24 |
236-1011058-Б |
Пружина клапана
|
1 шт
|
|
25 |
240-1011037 |
Втулка установочная
|
2 шт
|
|
26 |
240-1011025 |
Ось ведомых шестерен
|
1 шт
|
|
27 |
240Б-1011040 |
Шестерня ведущая нагнетающей секции в сборе
|
1 шт
|
|
28 |
240-1011030 |
Шестерня ведомая нагнетающей секции в сборе
|
1 шт
|
|
29 |
240-1011049 |
Проставка
|
1 шт
|
|
30 |
314123-П2 |
Шпонка призматическая
|
1 шт
|
|
32 |
236-1011368-В |
Пружина предохранительного клапана
|
1 шт
|
|
32 |
240Б-1011368 |
Пружина предохранительного клапана
|
1 шт
|
|
33 |
236-1011363-Б2 |
Клапан предохранительный в сборе
|
1 шт
|
236-1011363-Б2
Клапан предохранительный в сборе
|
33 |
240Б-1011363-А |
Клапан предохранительный радиаторной секции в сборе
|
1 шт
|
|
34 |
312559-П2 |
Шайба замковая
|
1 шт
|
|
35 |
201457-П2 |
Болт М8х22
|
2 шт
|
|
36 |
240-1011420 |
Труба отводящая радиаторной секции в сборе
|
1 шт
|
|
37 |
201464-П2 |
Болт М8х40
|
2 шт
|
|
38 |
240Б-1011100 |
Шестерня ведущая радиаторной секции
|
1 шт
|
|
39 |
240-1011110 |
Шестерня радиаторной секции ведомая в сборе
|
1 шт
|
|
40 |
240-1011019-А |
Корпус радиаторной секции
|
1 шт
|
|
41 |
240-1011085 |
Кольцо
|
1 шт
|
|
42 |
250975-П2 |
Гайка
|
2 шт
|
|
43 |
236-1011322 |
Скоба
|
1 шт
|
236-1011322
Скоба
|
44 |
258013-П29 |
Шплинт
|
2 шт
|
|
45 |
310248-П2 |
Болт М8х1-6gх18
|
2 шт
|
|
46 |
240Б-1011334 |
Кронштейн
|
1 шт
|
|
47 |
201456-П2 |
Болт М8х20
|
2 шт
|
|