№ |
Артикул |
Наименование детали |
Кол-во в узле |
|
3307-1301006 |
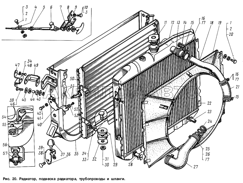
Радиатор с заглушками (для запасных частей)
|
1 шт
|
|
1 |
201416-1129 |
Болт М6-6gх12
|
2 шт
|
|
1 |
201416-П29 |
Болт М6-6gх12 ОСТ 37.001.123-96
|
6 шт
|
|
2 |
250508-П29 |
Гайка М6-6Н ОСТ 37.001.124-93
|
2 шт
|
|
2 |
250508-П29 |
Гайка М6-6Н ОСТ 37.001.124-93
|
6 шт
|
|
3 |
252154-П2 |
Шайба 6Л ОСТ 37.001.115-75
|
2 шт
|
|
3 |
252154-П2 |
Шайба 6Л ОСТ 37.001.115-75
|
3 шт
|
|
4 |
24-1310290 |
Скоба крепления тяги привода замка капота к кузову
|
2 шт
|
|
5 |
24-8406224-01 |
Втулка оболочки тяги привода замка капота
|
1 шт
|
|
6 |
3307-1310210 |
Тяга в сборе
|
1 шт
|
|
7 |
252206-П29 |
Шайба 14 ОСТ 37.001.145-75
|
1 шт
|
|
8 |
250634-П29 |
Гайка М14х1,5-6Н ОСТ 37.001.124-93
|
1 шт
|
|
9 |
3307-1310227 |
Кронштейн с усилителем в сборе
|
1 шт
|
|
10 |
201417-П29 |
Болт М6-6gх14 ОСТ 37.001.123-96
|
3 шт
|
|
11 |
52-1304010 |
Пробка радиатора в сборе
|
1 шт
|
52-1304010
Пробка радиатора в сборе
|
12 |
51Ю-3916027 |
Удлинитель пароотводной трубки (для запасных частей)
|
1 шт
|
|
13 |
11-8286 |
Шланг радиатора подводящий к радиатору
|
1 шт
|
|
14 |
ТМ112 |
Датчик контрольной лампы перегрева воды в радиаторе
|
1 шт
|
|
15 |
297410-П8 |
Хомутик 46,5
|
4 шт
|
|
16 |
220086-П29 |
Винт М5-6gх30 ОСТ 37.001.127-81
|
4 шт
|
|
17 |
251086-П8 |
Гайка М5-6Н
|
4 шт
|
|
17 |
251086-П8 |
Гайка М5-6Н
|
2 шт
|
|
18 |
53-1303012 |
Труба радиатора подводящая
|
1 шт
|
|
19 |
3307-1309011 |
Кожух вентилятора
|
1 шт
|
|
20 |
252134-П2 |
Шайба 6Т ОСТ 37.001.115-75
|
6 шт
|
|
21 |
53-1303010 |
Шланг радиатора отводящий нижний
|
1 шт
|
|
22 |
3307-1301010 |
Радиатор в сборе
|
1 шт
|
|
23 |
3307-8120274 |
Штуцер
|
1 шт
|
|
24 |
21-1303033-Б |
Каркас шланга
|
1 шт
|
|
25 |
288016-П8 |
Хомутик 52
|
2 шт
|
|
26 |
220088-П29 |
Винт М5-6gх35
|
2 шт
|
|
27 |
53-1303025 |
Шланг радиатора отводящий
|
1 шт
|
|
28 |
ВС-8-1-Т |
Краник сливной в сборе
|
1 шт
|
|
29 |
53-8401070 |
Прокладка подвески рамки радиатора
|
2 шт
|
|
30 |
290983 |
Болт М12х1,25-6gх35
|
1 шт
|
|
31 |
45 9563 1610 |
Гайка М12х1,25-6Н
|
1 шт
|
|
32 |
293353-П29 |
Шайба 12,5
|
1 шт
|
|
33 |
201456-П29 |
Болт М8-6gх20 ОСТ 37.001.123-96
|
2 шт
|
|
33 |
201456-П29 |
Болт М8-6gх20 ОСТ 37.001.123-96
|
6 шт
|
|
34 |
252135-П2 |
Шайба 8Т ОСТ 37.001.115-75
|
2 шт
|
|
34 |
252135-П2 |
Шайба 8Т ОСТ 37.001.115-75
|
4 шт
|
|
34 |
252135-П2 |
Шайба 8Т ОСТ 37.001.115-75
|
6 шт
|
|
35 |
3307-1302010 |
Рама в сборе
|
1 шт
|
|
36 |
330701-1302029 |
Кронштейн
|
2 шт
|
|
37 |
21-2902654 |
Упор рамки радиатора
|
2 шт
|
|
38 |
290729-П29 |
Болт М10х1-6gх25
|
2 шт
|
|
39 |
45 9992 2525 |
Гайка М10х1-6Н
|
2 шт
|
|
39 |
45 9992 2525 |
Гайка М10х1-6Н
|
4 шт
|
|
40 |
3307-1310232 |
Кронштейн тяги
|
1 шт
|
|
41 |
201454-П29 |
Болт М8-6gх16 ОСТ 37.001.123-96
|
1 шт
|
|
42 |
252155-П2 |
Шайба 8Л ОСТ 37.001.115-75
|
1 шт
|
|
43 |
51А-1001094 |
Прокладка тяги соединения двигателя с рамой
|
8 шт
|
|
44 |
20Ю-1001095 |
Втулка прокладки
|
4 шт
|
|
45 |
252039-П29 |
Шайба 10 ОСТ 37.001.144-96
|
8 шт
|
|
46 |
291495-П29 |
Болт М10х1-6gх35
|
4 шт
|
|
47 |
3307-1302152 |
Кронштейн передний
|
2 шт
|
|
48 |
201458-П29 |
Болт М8-6gх25 ОСТ 37.001.123-96
|
4 шт
|
|
49 |
330701-1302156 |
Кронштейн средний
|
2 шт
|
|
50 |
3307-1310110 |
Жалюзи радиатора в сборе
|
1 шт
|
|
51 |
222496-П29 |
Винт М5-6gх8 ОСТ 37.001.128-96
|
1 шт
|
|
52 |
224598-П29 |
Винт М5-6gх12 ОСТ 37.001.130-81
|
1 шт
|
|
53 |
52-1108071 |
Зажим
|
1 шт
|
|
54 |
53А-1305012 |
Тяга управления сливным краником правая
|
1 шт
|
|
55 |
66-1305030 |
Кронштейн тяги управления сливным краником правый
|
1 шт
|
|
56 |
20-1002199 |
Штуцер
|
1 шт
|
|
57 |
ПС7-1-0 |
Кран в сборе
|
1 шт
|
|