№ |
Артикул |
Наименование детали |
Кол-во в узле |
|
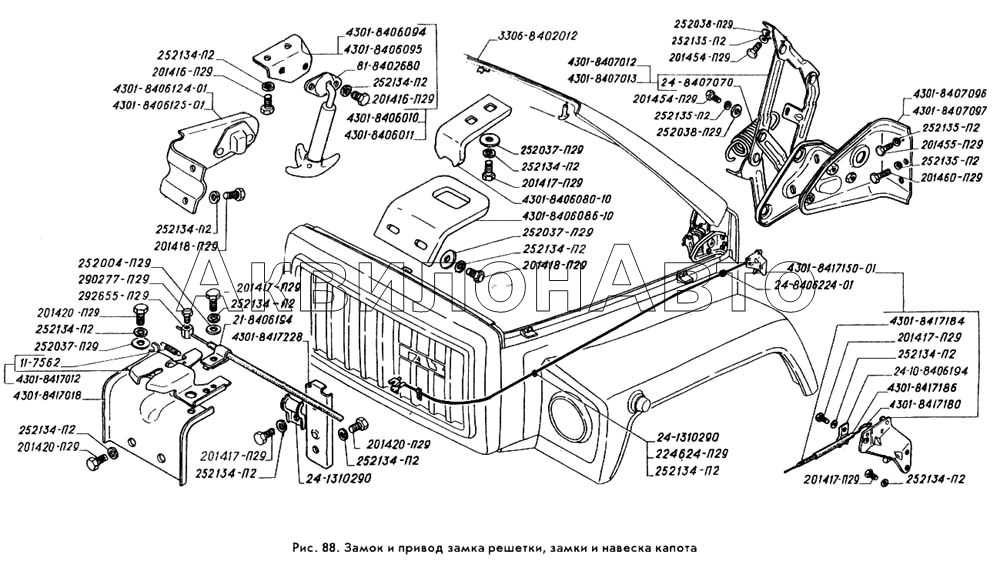
11-7562 |
Пружина оттяжная муфты подшипника выключения сцепления
|
1 шт
|
|
|
201416-П29 |
Болт М6-6gх12 ОСТ 37.001.123-96
|
41 шт
|
|
|
201417-П29 |
Болт М6-6gх14 ОСТ 37.001.123-96
|
48 шт
|
|
|
201418-П29 |
Болт М6-6gх16 ОСТ 37.001.123-96
|
12 шт
|
|
|
201420-П29 |
Болт М6-6gх20 ОСТ 37.001.123-96
|
55 шт
|
|
|
201454-П29 |
Болт М8-6gх16 ОСТ 37.001.123-96
|
54 шт
|
|
|
201455-П29 |
Болт М8-6gх18 ОСТ 37.001.123-96
|
63 шт
|
|
|
201460-П29 |
Болт М8-6gх30 ОСТ 37.001.123-96
|
16 шт
|
|
|
21-8406194 |
Скоба крепления оболочки тяги привода к замку
|
1 шт
|
|
|
224624-П29 |
Винт М6-6gх14 ОСТ 37.001.130-81
|
9 шт
|
|
|
24-10-8406194 |
Скоба крепления тяги привода замка
|
1 шт
|
|
|
24-1310290 |
Скоба крепления тяги привода замка капота к кузову
|
3 шт
|
|
|
24-8406224-01 |
Втулка оболочки тяги привода замка капота
|
5 шт
|
|
|
24-8407070 |
Пружина петли капота
|
2 шт
|
|
|
252004-П29 |
Шайба 6 ОСТ 37.001.144-96
|
82 шт
|
|
|
252037-П29 |
Шайба 6 ОСТ 37.001.144-96
|
24 шт
|
|
|
252038-П29 |
Шайба 8 ОСТ 37.001.144-96
|
71 шт
|
|
|
252134-П2 |
Шайба 6Т ОСТ 37.001.115-75
|
109 шт
|
|
|
252135-П2 |
Шайба 8Т ОСТ 37.001.115-75
|
139 шт
|
|
|
290277-П29 |
Болт М4х8
|
1 шт
|
|
|
292655-П29 |
Гайка М4-6Н
|
1 шт
|
|
|
3306-8402012 |
Капот
|
1 шт
|
|
|
4301-8406010 |
Замок капота с опорой правый
|
1 шт
|
|
|
4301-8406011 |
Замок капота с опорой левый
|
1 шт
|
|
|
4301-8406080-10 |
Шип капота
|
1 шт
|
|
|
4301-8406086-10 |
Гнездо шипа
|
1 шт
|
|
|
4301-8406094 |
Опора правая
|
1 шт
|
|
|
4301-8406095 |
Опора левая
|
1 шт
|
|
|
4301-8406124-01 |
Опора зацепа правая
|
1 шт
|
|
|
4301-8406125-01 |
Опора зацепа левая
|
1 шт
|
|
|
4301-8407012 |
Петля капота правая
|
1 шт
|
|
|
4301-8407013 |
Петля капота левая
|
1 шт
|
|
|
4301-8407096 |
Держатель петли правый
|
1 шт
|
|
|
4301-8407097 |
Держатель петли левый
|
1 шт
|
|
|
4301-8417012 |
Замок решетки
|
1 шт
|
|
|
4301-8417018 |
Держатель замка
|
1 шт
|
|
|
4301-8417150-01 |
Привод замка решетки
|
1 шт
|
|
|
4301-8417180 |
Тяга привода замка капота
|
1 шт
|
|
|
4301-8417184 |
Оболочка тяги привода замка
|
2 шт
|
|
|
4301-8417186 |
Трубка защитная оболочки тяги привода
|
1 шт
|
|
|
4301-8417228 |
Держатель привода
|
1 шт
|
|
|
81-8402680 |
Замок капота
|
2 шт
|
|