| № |
Артикул |
Наименование детали |
Кол-во в узле |
|
52-01-8401110-10 |
Облицовка радиатора в сборе (для запасных частей)
|
1 шт
|
|
|
52-8401118-01 |
Панель облицовки радиатора верхняя в сборе (для запасных частей)
|
1 шт
|
|
|
52-8402010 |
Капот в сборе (комплект)
|
1 шт
|
|
|
52-8402012-10 |
Капот в сборе
|
1 шт
|
|
|
52-8403012-10 |
Крыло переднее правое в сборе
|
1 шт
|
|
|
52-8403013-10 |
Крыло переднее левое в сборе
|
1 шт
|
|
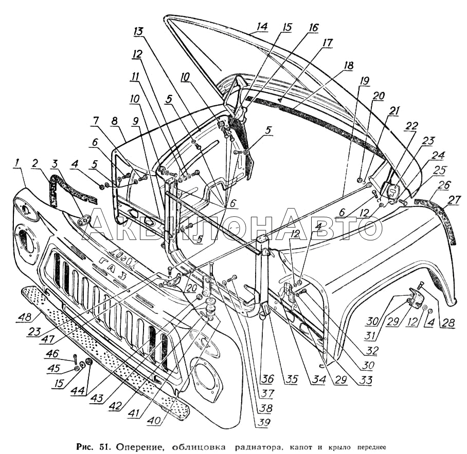
| 1 |
52-01-8401110 |
Облицовка радиатора в сборе
|
1 шт
|
|
| 2 |
53-8403034 |
Прокладка передняя
|
2 шт
|
|
| 3 |
52-8401172 |
Кронштейн облицовки радиатора боковой правый
|
1 шт
|
|
| 4 |
250510-П8 |
Гайка М8х1,25
|
4 шт
|
|
| 4 |
250510-П8 |
Гайка М8х1,25
|
12 шт
|
|
| 5 |
293270-П29 |
Шайба 8,2
|
4 шт
|
|
| 5 |
293270-П29 |
Шайба 8,2
|
8 шт
|
|
| 5 |
293270-П29 |
Шайба 8,2
|
26 шт
|
|
| 6 |
201456-П29 |
Болт М8-6gх20 ОСТ 37.001.123-96
|
6 шт
|
|
| 6 |
201456-П8 |
Болт М8х1,25х20
|
2 шт
|
|
| 6 |
201456-П8 |
Болт М8х1,25х20
|
12 шт
|
|
| 6 |
201456-П8 |
Болт М8х1,25х20
|
4 шт
|
|
| 6 |
201456-П8 |
Болт М8х1,25х20
|
2 шт
|
|
| 6 |
201456-П8 |
Болт М8х1,25х20
|
4 шт
|
|
| 6 |
201456-П8 |
Болт М8х1,25х20
|
6 шт
|
|
| 7 |
201458-П29 |
Болт М8-6gх25 ОСТ 37.001.123-96
|
2 шт
|
|
| 8 |
52-8403012 |
Крыло переднее правое в сборе
|
1 шт
|
|
| 9 |
52-8401550-Б2 |
Распорка облицовки радиатора правая в сборе
|
1 шт
|
|
| 10 |
52-8402220-А2 |
Опора капота боковая в сборе
|
4 шт
|
|
| 11 |
А-35392 |
Прокладка
|
4 шт
|
|
| 12 |
252038-П8 |
Шайба 8 плоская
|
2 шт
|
|
| 12 |
252038-П8 |
Шайба 8 плоская
|
4 шт
|
|
| 12 |
253038-П8 |
Шайба 8,4
|
2 шт
|
|
| 13 |
53-8403270-Б |
Брызговик переднего крыла правый
|
1 шт
|
|
| 14 |
52-8402012 |
Капот в сборе
|
1 шт
|
|
| 15 |
293296-П29 |
Шайба 9
|
1 шт
|
|
| 16 |
53-8403340 |
Угольник брызговика переднего крыла задний правый в сборе
|
1 шт
|
|
| 17 |
298318-П2 |
Пистон
|
11 шт
|
|
| 18 |
52-8402054-01 |
Уплотнитель капота задний
|
1 шт
|
|
| 19 |
52-8401084 |
Растяжка рамки радиатора в сборе
|
2 шт
|
|
| 20 |
250512-П8 |
Гайка М10-6Н
|
2 шт
|
|
| 20 |
250512-П8 |
Гайка М10-6Н
|
4 шт
|
|
| 21 |
252136-П2 |
Шайба 10 ОТ ОСТ 37.001.115-75
|
2 шт
|
252136-П2
Шайба 10 ОТ ОСТ 37.001.115-75
|
| 22 |
252155-П2 |
Шайба 8Л ОСТ 37.001.115-75
|
2 шт
|
|
| 23 |
252135-П2 |
Шайба 8Т ОСТ 37.001.115-75
|
4 шт
|
|
| 23 |
252135-П2 |
Шайба 8Т ОСТ 37.001.115-75
|
6 шт
|
Розница
0.20 руб.
Розница
0.20 руб.
|
| 24 |
53-8403341 |
Угольник брызговика переднего крыла задний левый в сборе
|
1 шт
|
|
| 25 |
201497-П8 |
Болт М10х25
|
2 шт
|
|
| 26 |
52-8403060-А2 |
Прокладка переднего крыла на кабине
|
2 шт
|
|
| 27 |
52-8403013 |
Крыло переднее левое в сборе
|
1 шт
|
|
| 28 |
210358-П8 |
Болт М6х20
|
4 шт
|
|
| 29 |
52-8403332-А |
Держатель брызговика переднего крыла в сборе
|
4 шт
|
|
| 30 |
252037-П8 |
Шайба 6
|
4 шт
|
|
| 31 |
250508-П8 |
Гайка М6-6Н
|
4 шт
|
|
| 32 |
201420-П8 |
Болт М6-6gх20
|
4 шт
|
|
| 33 |
52-8401551-Б2 |
Распорка облицовки радиатора левая в сборе
|
1 шт
|
|
| 34 |
53-8403271-Б |
Брызговик переднего крыла левый
|
1 шт
|
|
| 35 |
52-8401050-Г |
Рамка радиатора в сборе
|
1 шт
|
|
| 36 |
21-2902654 |
Упор рамки радиатора
|
2 шт
|
|
| 37 |
205424-П8 |
Болт М8х1х35
|
1 шт
|
|
| 38 |
252005-П8 |
Шайба 8
|
1 шт
|
|
| 39 |
290941-П8 |
Болт М12х1,25х50
|
1 шт
|
|
| 40 |
293353-П29 |
Шайба 12,5
|
1 шт
|
|
| 41 |
250977-П8 |
Гайка 1М12х1,26
|
1 шт
|
|
| 42 |
258041-П |
Шплинт 3х30
|
1 шт
|
|
| 43 |
53-8401070 |
Прокладка подвески рамки радиатора
|
2 шт
|
|
| 44 |
76-8403038 |
Буфер облицовки радиатора
|
2 шт
|
|
| 45 |
250867-П8 |
Гайка М8х1
|
1 шт
|
|
| 46 |
258015-П |
Шплинт 2х25
|
1 шт
|
|
| 47 |
52-8401173 |
Кронштейн облицовки радиатора боковой левый
|
1 шт
|
|
| 48 |
53-8401412 |
Брызговик облицовки радиатора
|
1 шт
|
|