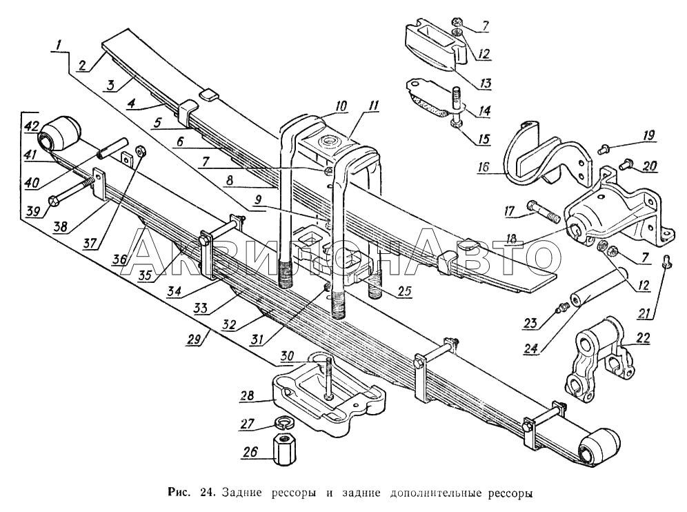
Задние рессоры и задние дополнительные рессоры
| № |
Артикул |
Наименование детали |
Кол-во в узле |
|
51-2912012-Б1 |
Рессора задняя в сборе (для запасных частей)
|
2 шт
|
|
|
52-2913012 |
Рессора задняя дополнительная в сборе
|
2 шт
|
|
| 1 |
51-2913012-42 |
Рессора задняя дополнительная в сборе
|
2 шт
|
|
| 2 |
51А-2913101 |
Лист № 1
|
2 шт
|
|
| 3 |
51А-2913102 |
Лист № 2
|
2 шт
|
|
| 4 |
51А-2913103 |
Лист № 3
|
2 шт
|
|
| 5 |
51А-2913051 |
Лист № 4 рессоры с хомутами в сборе
|
2 шт
|
|
| 6 |
51А-2913105 |
Лист № 5
|
2 шт
|
|
| 7 |
250513-П8 |
Гайка М10х1-6Н
|
2 шт
|
|
| 7 |
250513-П8 |
Гайка М10х1-6Н
|
8 шт
|
|
| 7 |
250513-П8 |
Гайка М10х1-6Н
|
4 шт
|
|
| 8 |
51А-2913106 |
Лист № 6
|
2 шт
|
|
| 9 |
290825-П2 |
Болт М10х1х58
|
2 шт
|
|
| 10 |
66-2912408-02 |
Стремянка
|
4 шт
|
|
| 11 |
53-2912412 |
Накладка задней рессоры
|
2 шт
|
|
| 12 |
252136-П2 |
Шайба 10 ОТ ОСТ 37.001.115-75
|
4 шт
|
252136-П2
Шайба 10 ОТ ОСТ 37.001.115-75
|
| 12 |
252136-П2 |
Шайба 10 ОТ ОСТ 37.001.115-75
|
8 шт
|
|
| 13 |
51-2912630 |
Подкладка буфера задней рессоры
|
2 шт
|
|
| 14 |
51-2912622 |
Буфер задней рессоры в сборе
|
2 шт
|
|
| 15 |
201532-П8 |
Болт М10Х1Х70 крепления буфера
|
4 шт
|
|
| 16 |
51-2913444-Б |
Кронштейн
|
4 шт
|
|
| 17 |
290825-П8 |
Болт М10х1х58
|
8 шт
|
|
| 18 |
51-2912444-А1 |
Кронштейн
|
4 шт
|
|
| 19 |
294434-П |
Заклепка 10х32
|
16 шт
|
|
| 20 |
294435-П |
Заклепка 10х34
|
12 шт
|
|
| 21 |
294436-П |
Заклепка 10х37
|
12 шт
|
|
| 22 |
51-2912462-А |
Серьга с втулками в сборе
|
2 шт
|
|
| 23 |
264020-П8 |
Пресс-масленка К 1/8"
|
6 шт
|
|
| 24 |
51-2902478 |
Палец
|
6 шт
|
|
| 25 |
51-2913420-Б |
Подкладка задней дополнительной рессоры
|
4 шт
|
|
| 26 |
292931-П8 |
Гайка М20х1,5-4Н5Н
|
8 шт
|
|
| 27 |
252141-П2 |
Шайба 20.ОТ ОСТ 37.001.115-75
|
8 шт
|
|
| 28 |
53-2912418-01 |
Подкладка стремянок
|
2 шт
|
|
| 29 |
51-2912012-24 |
Рессора задняя в сборе
|
2 шт
|
|
| 30 |
290973-П2 |
Болт М12х1,25-6gх95
|
2 шт
|
|
| 31 |
251815-П2 |
Гайка М12х1,25
|
2 шт
|
|
| 32 |
51-2912108 |
Лист № 8
|
2 шт
|
|
| 33 |
51А-2912107 |
Лист № 7
|
2 шт
|
|
| 34 |
51А-2912052 |
Лист № 6 с хомутами в сборе
|
2 шт
|
|
| 35 |
51А-2912105 |
Лист № 5
|
2 шт
|
|
| 36 |
51А-2912104 |
Лист № 4
|
2 шт
|
|
| 37 |
250510-П2 |
Гайка М8-6Н ОСТ 37.001.124-93
|
8 шт
|
|
| 38 |
51А-2912051 |
Лист № 3 с хомутами в сборе
|
2 шт
|
|
| 39 |
200277-П2 |
Болт М8-6gх90 ОСТ 37.001.122-96
|
8 шт
|
|
| 40 |
51-2902068 |
Втулка распорная хомута рессоры
|
8 шт
|
|
| 41 |
51А-2912102 |
Лист № 2
|
2 шт
|
|
| 42 |
51А-2912015 |
Лист № 1 с втулками в сборе
|
2 шт
|
|
Список просмотренных товаров пуст
AlfaSystems GoPro GP261D21