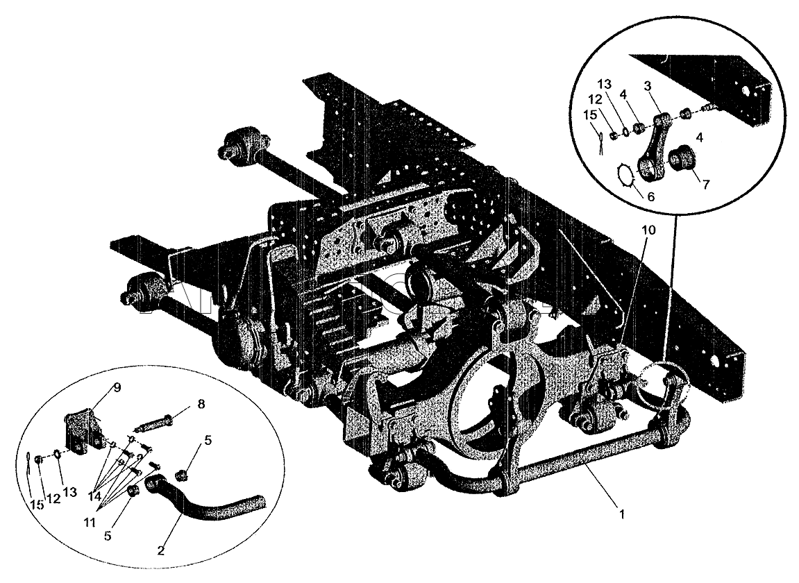
Подвеска балансирная автомобилей МАЗ-630308, МАЗ-630305
№ |
Артикул |
Наименование детали |
Кол-во в узле |
1 |
5516-2916006 |
Вал стабилизатора с рычагами
|
1 шт
|
5516-2916006
Вал стабилизатора с рычагами
|
2 |
5516-2916016 |
Вал стабилизатора
|
1 шт
|
5516-2916016
Вал стабилизатора
|
3 |
54321-2916022 |
Рычаг
|
2 шт
|
|
4 |
5516-2916028 |
Втулка
|
4 шт
|
5516-2916028
Втулка
|
5 |
54321-2916028 |
Втулка
|
2 шт
|
|
6 |
54321-2916032 |
Кольцо стопорное
|
2 шт
|
54321-2916032
Кольцо стопорное
|
7 |
5516-2916030 |
Втулка
|
2 шт
|
5516-2916030
Втулка
|
8 |
54321-2916034 |
Палец
|
2 шт
|
54321-2916034
Палец
|
9 |
5516-2916040 |
Кронштейн стабилизатора нижний левый
|
1 шт
|
5516-2916040
Кронштейн стабилизатора нижний левый
|
10 |
5516-2916041 |
Кронштейн стабилизатора нижний правый
|
1 шт
|
5516-2916041
Кронштейн стабилизатора нижний правый
|
11 |
202142 |
Болт М16х1,5-6gх38
|
8 шт
|
|
12 |
374910 |
Гайка М20х1,5-5Н6Н
|
4 шт
|
374910
Гайка М20х1,5-5Н6Н
|
13 |
252049-10 |
Шайба 20
|
4 шт
|
252049-10
Шайба 20
|
14 |
252139 |
Шайба 16.ОТ
|
8 шт
|
252139
Шайба 16.ОТ
|
15 |
258056 |
Шплинт 4х40
|
4 шт
|
258056
Шплинт 4х40
|
Список просмотренных товаров пуст
AlfaSystems GoPro GP261D21