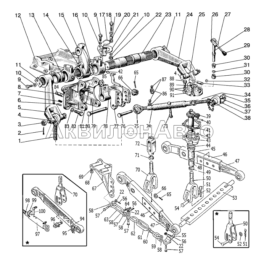
№ |
Артикул |
Наименование детали |
Кол-во в узле |
|
1220-4605012 |
Раскос в сборе
|
1 шт
|
1220-4605012
Раскос в сборе
|
|
1220-4605084-01 |
Палец
|
2 шт
|
|
|
1220-4605150 |
Раскос в сборе
|
1 шт
|
1220-4605150
Раскос в сборе
|
|
1220-4605612 |
Раскос
|
1 шт
|
1220-4605612
Раскос
|
|
85-4605010 |
Механизм задней навески
|
1 шт
|
|
|
A61.03.000 |
Тяга верхняя
|
1 шт
|
|
|
А61.03.000-01 |
Тяга верхняя
|
1 шт
|
А61.03.000-01
Тяга верхняя
|
1 |
1220-4605075 |
Винт
|
1 шт
|
|
2 |
Шплинт4х36.019 |
Шплинт
|
2 шт
|
|
3 |
ГайкаМ20х1,5-6Н.6.019 |
Гайка М20х1,5-6Н.6.019
|
2 шт
|
|
4 |
142-4605076 |
Палец
|
2 шт
|
142-4605076
Палец
|
5 |
80-4605021-01 |
Рычаг
|
1 шт
|
|
6 |
70-4605317 |
Ограничитель
|
2 шт
|
|
7 |
21A-1601150 |
Пружина
|
4 шт
|
|
8 |
50-4605027 |
Штифт
|
2 шт
|
50-4605027
Штифт
|
9 |
БолтМ12-6gx25.88.35.019 |
Болт М12-6gx25.88.35.019
|
6 шт
|
|
10 |
Шайба12.ОТ |
Шайба
|
6 шт
|
|
11 |
40-4605023-A2 |
Шайба
|
2 шт
|
|
12 |
85-2401024 |
Крышка
|
1 шт
|
85-2401024
Крышка
|
13 |
70-4605032 |
Втулка
|
2 шт
|
70-4605032
Втулка
70-4605032
Втулка
Розница
12.00 руб.
Розница
24.00 руб.
|
14 |
80-4605313 |
Палец
|
1 шт
|
|
15 |
85-4605024 |
Рычаг
|
1 шт
|
85-4605024
Рычаг
|
16 |
Кольцо2С65 |
Кольцо 2С65
|
1 шт
|
|
17 |
A61.07.002 |
Пружина
|
1 шт
|
|
18 |
БолтМ12-6gx35.88.35.0190 |
Болт
|
1 шт
|
|
19 |
ШайбаС12.01.019 |
Шайба
|
1 шт
|
|
20 |
50-4605069 |
Втулка
|
1 шт
|
50-4605069
Втулка
|
21 |
85-4605145 |
Кронштейн в сборе
|
1 шт
|
|
21 |
85-4605240 |
Кронштейн
|
1 шт
|
85-4605240
Кронштейн
|
22 |
ГайкаМ12-6Н.04.019 |
Гайка
|
1 шт
|
|
23 |
70-4605023 |
Вал поворотный
|
1 шт
|
70-4605023
Вал поворотный
70-4605023
Вал поворотный
70-4605023
Вал поворотный
Розница
123.50 руб.
Розница
156.50 руб.
Розница
72.50 руб.
В наличии
В наличии
В наличии
В корзину
В корзину
В корзину
|
24 |
80-4605022-01 |
Рычаг
|
1 шт
|
|
25 |
1220-4605168-Б |
Серьга
|
1 шт
|
1220-4605168-Б
Серьга
|
26 |
А61.01.016-Б |
Ось
|
1 шт
|
|
27 |
1220-4605615 |
Вилка
|
1 шт
|
1220-4605615
Вилка
|
27 |
A61.01.400 |
Вилка
|
1 шт
|
|
28 |
A61.01.600 |
Вал
|
1 шт
|
|
29 |
A61.01.014 |
Рукоятка
|
1 шт
|
|
30 |
A61.01.017 |
Втулка
|
2 шт
|
|
31 |
Кольцо016-021-30-2-4 |
Кольцо
|
1 шт
|
|
32 |
142-4605431 |
Кольцо
|
2 шт
|
|
33 |
142-4605404-Б |
Палец
|
1 шт
|
142-4605404-Б
Палец
|
34 |
A61.02.003 |
Контргайка
|
1 шт
|
|
35 |
A61.03.002 |
Кольцо
|
1 шт
|
|
36 |
A61.03.001-02 |
Палец
|
1 шт
|
|
36 |
А61.03.001-01 |
Палец диаметр 25 мм
|
1 шт
|
А61.03.001-01
Палец диаметр 25 мм
|
37 |
A61.08.001 |
Цепочка
|
1 шт
|
|
38 |
A61.02.100-04 |
Винт с шарниром 0 22,5
|
1 шт
|
|
38 |
А61.02.100-05 |
Винт диаметр 25
|
1 шт
|
А61.02.100-05
Винт диаметр 25
|
39 |
142-4605413 |
Шестерня
|
1 шт
|
|
40 |
A61.01.005 |
Ось
|
1 шт
|
|
41 |
142-4605421 |
Прокладка
|
1 шт
|
|
42 |
Масленка1.3.Ц9.хр |
Масленка1.3.Ц9.хр
|
3 шт
|
|
43 |
142-4605415 |
Корпус
|
1 шт
|
|
44 |
142-4605402 |
Втулка
|
1 шт
|
|
45 |
142-4605407 |
Труба
|
1 шт
|
|
46 |
1220-4605035-02 |
Тяга левая в сборе
|
1 шт
|
|
46 |
1220-4605035-04 |
Тяга с цепочкой
|
1 шт
|
|
46 |
1220-4605050 |
Тяга правая
|
2 шт
|
|
46 |
1220-4605050-01 |
Тяга левая
|
2 шт
|
|
47 |
1220-4605030-01 |
Тяга
|
1 шт
|
|
47 |
1220-4605030-03 |
Тяга
|
1 шт
|
|
47 |
1220-4605040 |
Тяга
|
2 шт
|
1220-4605040
Тяга
|
47 |
1220-4605040-02 |
Тяга
|
2 шт
|
1220-4605040-02
Тяга
|
48 |
142-4605406 |
Колпак
|
1 шт
|
|
49 |
142-4605401 |
Ограждение
|
1 шт
|
|
50 |
1220-4605100 |
Вилка
|
1 шт
|
|
50 |
1220-4605615 |
Вилка
|
1 шт
|
|
51 |
А61.07.001 |
Шплинт
|
3 шт
|
А61.07.001
Шплинт
|
52 |
50-3503071 |
Шайба
|
2 шт
|
|
53 |
1220-4605025 |
Поперечина
|
1 шт
|
1220-4605025
Поперечина
|
54 |
1220-4605084 |
Палец
|
2 шт
|
1220-4605084
Палец
|
55 |
1220-4605108-01 |
Проушина
|
2 шт
|
1220-4605108-01
Проушина
|
56 |
Шплинт3,2х25.019 |
Шплинт
|
8 шт
|
|
57 |
50-4605086 |
Болт серьги
|
8 шт
|
50-4605086
Болт серьги
|
58 |
А61.09.002 |
Серьга
|
8 шт
|
А61.09.002
Серьга
|
59 |
1220-4605058 |
Винт
|
2 шт
|
|
60 |
ГайкаМ20-6Н.6.019 |
Гайка
|
2 шт
|
|
61 |
А61.04.003-01 |
Стяжка
|
2 шт
|
|
62 |
1220-4605058-01 |
Винт
|
2 шт
|
|
63 |
40-4605098 |
Кольцо
|
2 шт
|
40-4605098
Кольцо
|
64 |
Н50-4605060 |
Цепочка с кольцом
|
2 шт
|
|
65 |
Шплинт5х36.019 |
Шплинт
|
3 шт
|
|
66 |
70-4605316 |
Гайка упорная
|
3 шт
|
70-4605316
Гайка упорная
|
67 |
80-4605091 |
Кронштейн левый
|
1 шт
|
80-4605091
Кронштейн левый
|
67 |
80-4605091-01 |
Кронштейн левый
|
1 шт
|
80-4605091-01
Кронштейн левый
|
68 |
ГайкаМ16х1,5-6Н.6.019 |
Гайка М16х1,5-6Н.6.019
|
8 шт
|
|
69 |
Шайба16.ОТ |
Шайба
|
16 шт
|
|
70 |
1220-4605200 |
Вилка
|
1 шт
|
|
70 |
1220-4605620 |
Вилка
|
1 шт
|
|
71 |
142-4605424 |
Контргайка
|
1 шт
|
|
72 |
142-4605422 |
Стяжка
|
1 шт
|
142-4605422
Стяжка
|
73 |
A61.03.102 |
Рукоятка
|
1 шт
|
|
74 |
A61.03.101 |
Труба
|
1 шт
|
|
75 |
A61.02.100-02 |
Винт
|
1 шт
|
|
76 |
A61.10.001-02 |
Палец
|
1 шт
|
|
77 |
85-4605330 |
Серьга
|
1 шт
|
85-4605330
Серьга
|
78 |
70-4605302-Б |
Пружина
|
1 шт
|
70-4605302-Б
Пружина
|
79 |
85-4605016 |
Кронштейн
|
1 шт
|
85-4605016
Кронштейн
|
80 |
A61.10.001 |
Палец
|
1 шт
|
|
81 |
70-4605320 |
Болт
|
1 шт
|
70-4605320
Болт
|
82 |
70-4605036 |
Болт
|
5 шт
|
70-4605036
Болт
|
83 |
Шайба20.ОТ |
Шайба
|
5 шт
|
|
84 |
54.38.619 |
Кольцо
|
2 шт
|
|
85 |
70-4605304-Б |
Шайба
|
1 шт
|
70-4605304-Б
Шайба
|
86 |
A61.05.004 |
Кольцо
|
4 шт
|
|
87 |
A61.05.005 |
Чека
|
4 шт
|
|
88 |
142-4605408 |
Болт
|
2 шт
|
|
89 |
БолтМ16-6gx40.10.9.40Х.019 |
Болт
|
2 шт
|
|
90 |
Шайба16.ОТ |
Шайба
|
4 шт
|
|
91 |
142-4605418-Б |
Крышка
|
1 шт
|
142-4605418-Б
Крышка
|
92 |
142-4605403 |
Ограничитель
|
1 шт
|
|
93 |
142-4605425 |
Труба
|
1 шт
|
|
94 |
1025-4605530-01 |
Тяга без цепочки
|
2 шт
|
|
94 |
1025-4605530-02 |
Тяга с цепочкой
|
2 шт
|
|
94 |
1025-4605530-03 |
Тяга без цепочки
|
2 шт
|
|
94 |
1025-4605530-04 |
Тяга с цепочкой
|
2 шт
|
|
95 |
А61.05.100 |
Чека 9 звеньев
|
2 шт
|
А61.05.100
Чека 9 звеньев
|
96 |
1220-4605108 |
Проушина
|
2 шт
|
1220-4605108
Проушина
1220-4605108
Проушина
Розница
31.50 руб.
Розница
8.00 руб.
|
97 |
80-4605285-Б |
Труба
|
2 шт
|
|
98 |
80-4605284 |
Винт
|
2 шт
|
|
99 |
80-4605292 |
Защелка
|
2 шт
|
|
100 |
80-4605291 |
Чека
|
2 шт
|
|