№ |
Артикул |
Наименование детали |
Кол-во в узле |
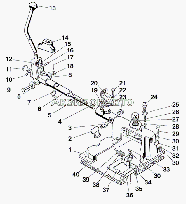
1 |
70-1703010-А1 -03 |
Крышка КП
|
1 шт
|
|
1 |
70-1703025-Б |
Крышка
|
1 шт
|
70-1703025-Б
Крышка
|
2 |
50Л-3724050 |
Чехол
|
1 шт
|
|
3 |
ВК12-51 |
Выключатель ТУ РБ37334210.015-97
|
шт
|
|
4 |
70-1703201-Б-01 |
Вал
|
1 шт
|
70-1703201-Б-01
Вал
|
5 |
СШ-611 |
Шпонка
|
1 шт
|
|
6 |
70-1703210-Б |
Опора
|
1 шт
|
70-1703210-Б
Опора
|
7 |
030-034-25-1-4 |
Кольцо
|
1 шт
|
|
8 |
С12.01.019 |
Шайба
|
2 шт
|
|
9 |
50-2403034-01 |
Болт
|
1 шт
|
|
10 |
ШЦК 8x20 |
Штифт
|
1 шт
|
|
11 |
35-10кл.Ц9.Хр |
Заглушка
|
1 шт
|
|
12 |
70-1703220-А |
Рычаг
|
1 шт
|
70-1703220-А
Рычаг
|
13 |
70-1702125 |
Рукоятка
|
1 шт
|
70-1702125
Рукоятка
|
14 |
70-1703203-А |
Чехол
|
1 шт
|
70-1703203-А
Чехол
|
15 |
70-1703202-А |
Поводок
|
1 шт
|
70-1703202-А
Поводок
|
16 |
ШЦК 8x25 |
Штифт
|
1 шт
|
|
17 |
3,2x25.019 |
Шплинт
|
1 шт
|
|
18 |
М12-6Н.04.019 |
Гайка
|
1 шт
|
|
19 |
70-1703205 |
Стопор
|
1 шт
|
70-1703205
Стопор
|
20 |
952-1802031-А |
Кронштейн
|
1 шт
|
952-1802031-А
Кронштейн
|
21 |
M12-6gx20.88.35.019 |
Болт
|
2 шт
|
|
22 |
12 ОТ |
Шайба
|
2 шт
|
|
23 |
70-1702053 |
Пробка
|
1 шт
|
70-1702053
Пробка
|
24 |
70-1703204 |
Болт
|
1 шт
|
|
25 |
М16-6Н.04.019 |
Гайка
|
1 шт
|
|
26 |
50-1702148-А |
Пружина фиксатора
|
1 шт
|
50-1702148-А
Пружина фиксатора
|
27 |
ПК КГ 11/4 |
Пробка
|
1 шт
|
|
28 |
13,8-60 |
Шарик 13,8 мм
|
1 шт
|
|
29 |
M10-6gx60.88.35.019 |
Болт
|
2 шт
|
|
30 |
10 ОТ |
Шайба
|
13 шт
|
|
31 |
28-10кп.Ц9.хр |
Заглушка
|
1 шт
|
|
32 |
M10-6gx35.88.35.019 |
Болт
|
10 шт
|
|
33 |
M10-6gx30.88.35.019 |
Болт
|
1 шт
|
|
34 |
70-1703011 |
Рычаг
|
1 шт
|
70-1703011
Рычаг
|
35 |
М10-6gx18.88.35.019 |
Болт
|
4 шт
|
|
36 |
50-1702107-А |
Пластина стопорная
|
2 шт
|
50-1702107-А
Пластина стопорная
|
37 |
74-1702084 |
Пластина ограничительная
|
1 шт
|
|
38 |
70-1703057 |
Пружина
|
1 шт
|
70-1703057
Пружина
|
39 |
70-1703058 |
Шайба
|
1 шт
|
|
40 |
50-1702026 |
Прокладка
|
1 шт
|
|