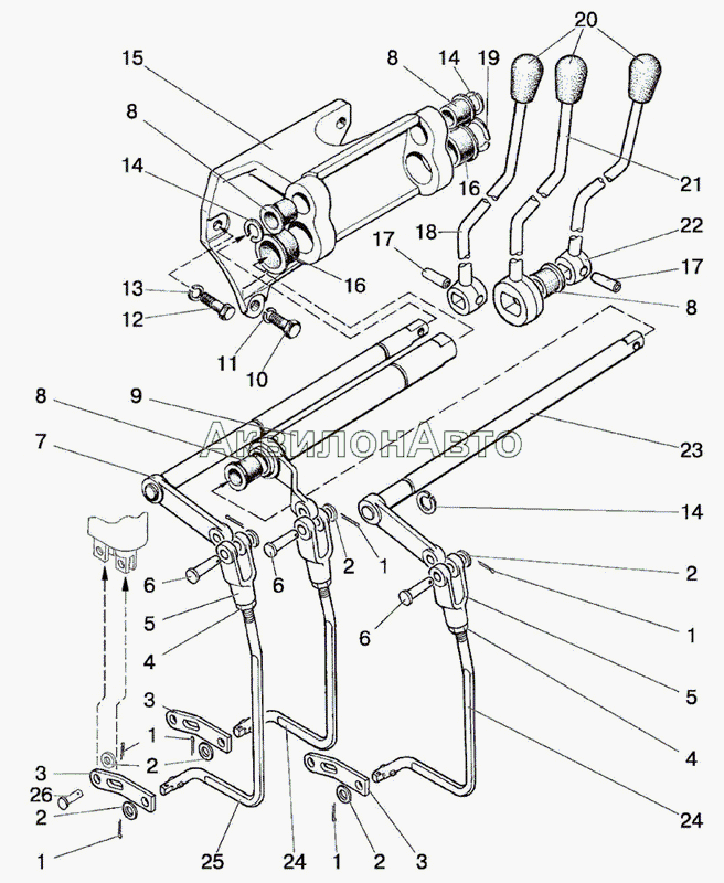
Управление гидрораспределителем RS 213 Mita, РП 70
№ |
Артикул |
Наименование детали |
Кол-во в узле |
1 |
3,2x18.019 |
Шплинт
|
6 шт
|
|
2 |
70-4607144 |
Шайба
|
6 шт
|
|
3 |
С80-4607086 |
Рычаг
|
3 шт
|
С80-4607086
Рычаг
|
4 |
М8-6Н.6.019 |
Гайка
|
3 шт
|
|
5 |
А20-213А |
Вилка
|
3 шт
|
|
6 |
А61-030-А1 |
Палец
|
3 шт
|
|
7 |
80-4607250 |
Вал
|
1 шт
|
80-4607250
Вал
|
8 |
50-4607078-А |
Втулка
|
4 шт
|
50-4607078-А
Втулка
|
9 |
80-4607230 |
Вал
|
1 шт
|
80-4607230
Вал
|
10 |
M12-6gx30.88.35.019 |
Болт
|
2 шт
|
|
11 |
12 ОТ |
Шайба
|
2 шт
|
|
12 |
M10-6gx35.88.35.019 |
Болт
|
1 шт
|
|
13 |
10 ОТ |
Шайба
|
1 шт
|
|
14 |
С18 |
Кольцо
|
3 шт
|
|
15 |
85-4607017 |
Кронштейн
|
1 шт
|
85-4607017
Кронштейн
|
16 |
50-4607079-А1 |
Втулка
|
2 шт
|
50-4607079-А1
Втулка
|
17 |
А.8х30.65ГХим.Фос.прм. |
Штифт
|
2 шт
|
|
18 |
С80-4607080-01 |
Рычаг
|
1 шт
|
|
19 |
С32 |
Кольцо
|
1 шт
|
|
20 |
70-3401093 |
Наконечник
|
3 шт
|
70-3401093
Наконечник
|
21 |
С80-4607090 |
Рычаг
|
1 шт
|
|
22 |
С80-4607080 |
Рычаг
|
1 шт
|
|
23 |
80-4607220 |
Вал
|
1 шт
|
|
24 |
Р1221-4607261 |
Тяга
|
2 шт
|
Р1221-4607261
Тяга
|
24 |
С80-4607261 |
Тяга
|
2 шт
|
|
25 |
Р1221-46007261-01 |
Тяга
|
1 шт
|
|
25 |
С80-4607261-01 |
Тяга
|
1 шт
|
|
26 |
С80-4607088 |
Палец
|
6 шт
|
|
Список просмотренных товаров пуст
AlfaSystems GoPro GP261D21