№ |
Артикул |
Наименование детали |
Кол-во в узле |
|
40-4607065-А |
Шланг сцепки с прокладкой, трубой и штуцером в сборе
|
2 шт
|
|
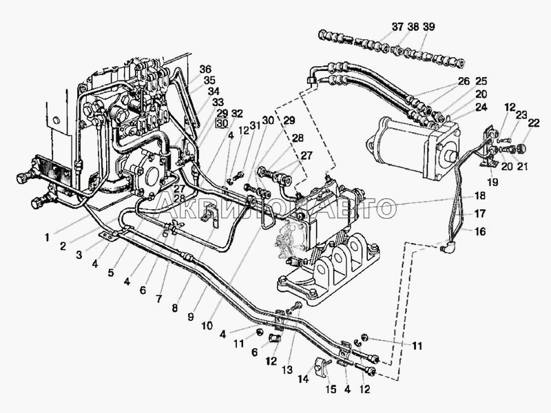
1 |
Н80-4607160 |
Труба
|
1 шт
|
Н80-4607160
Труба
|
2 |
Н80-4607170 |
Труба
|
1 шт
|
|
3 |
Н80-4607206 |
Кронштейн
|
1 шт
|
|
4 |
70-3407146 |
Планка
|
4 шт
|
70-3407146
Планка
|
5 |
80-4607180 |
Труба
|
1 шт
|
|
5 |
80-4607180-Б |
Труба
|
1 шт
|
80-4607180-Б
Труба
|
6 |
70-3506027 |
Втулка
|
9 шт
|
70-3506027
Втулка
|
7 |
80-4607169 |
Кронштейн
|
1 шт
|
|
8 |
70-4607270-А |
Кронштейн
|
1 шт
|
|
9 |
Н80-4607150 |
Труба
|
1 шт
|
Н80-4607150
Труба
|
10 |
80-4607200 |
Труба
|
1 шт
|
80-4607200
Труба
|
11 |
М8 |
Гайка
|
2 шт
|
|
12 |
ШП8 |
Шайба
|
10 шт
|
|
13 |
М8х40 |
Болт
|
2 шт
|
|
14 |
70-4607156 |
Планка
|
1 шт
|
|
15 |
М8х45 |
Болт
|
2 шт
|
|
16 |
70-4607400-Б |
Труба
|
1 шт
|
70-4607400-Б
Труба
|
17 |
70-4607395-Б |
Труба
|
1 шт
|
70-4607395-Б
Труба
|
18 |
80-4614020 |
Регулятор
|
1 шт
|
80-4614020
Регулятор
|
19 |
85-4607440 |
Кронштейн
|
1 шт
|
85-4607440
Кронштейн
|
20 |
017-022-30-2-2 |
Кольцо
|
10 шт
|
017-022-30-2-2
Кольцо
|
21 |
3057-4616330-А |
Клапан запорного устройства
|
2 шт
|
3057-4616330-А
Клапан запорного устройства
|
22 |
50-4607039-А |
Колпак
|
2 шт
|
50-4607039-А
Колпак
|
23 |
М8х20 |
Болт
|
2 шт
|
|
24 |
70-1405089 |
Штуцер
|
3 шт
|
70-1405089
Штуцер
|
25 |
Н.036.65-000-06-А2 |
Клапан
|
1 шт
|
|
26 |
680-4607140-05 |
Рукав высокого давления
|
2 шт
|
|
26 |
680-4607140-12 |
Рукав
|
2 шт
|
|
27 |
40-4607038-А |
Шайба
|
12 шт
|
40-4607038-А
Шайба
|
28 |
40-4607032 |
Болт
|
6 шт
|
40-4607032
Болт
|
29 |
Д18-055А-01 |
Кольцо уплотнительное
|
4 шт
|
|
30 |
Д18-051-01 |
Болт
|
2 шт
|
|
31 |
М8х35 |
Болт
|
2 шт
|
|
32 |
80-4607190-Б |
Труба
|
1 шт
|
80-4607190-Б
Труба
|
33 |
80-4607175 |
Труба
|
1 шт
|
80-4607175
Труба
|
34 |
80-4607310-А |
Труба
|
1 шт
|
80-4607310-А
Труба
|
35 |
80-4607110 |
Труба
|
1 шт
|
80-4607110
Труба
|
36 |
80-4607115-Б |
Труба
|
1 шт
|
|
37 |
Н.036.83.090 |
Рукав высокого давления
|
2 шт
|
|
38 |
Н.036.02.002 |
Штуцер
|
2 шт
|
|
39 |
Н.036.83.110 |
Рукав высокого давления
|
2 шт
|
|