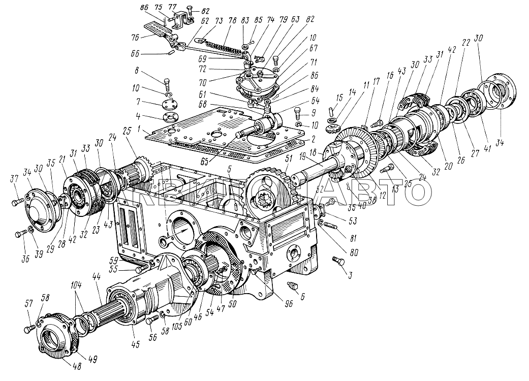
Корпус заднего моста. Дифференциал. Передача конечная и полуоси. Механизм блокировки дифференциала
№ |
Артикул |
Наименование детали |
Кол-во в узле |
|
36-2403030 |
Ступица конической шестерни
|
1 шт
|
|
|
36-2403036-02 |
Стакан подшипников правый
|
1 шт
|
|
|
36-2403037-02 |
Стакан подшипников левый
|
1 шт
|
|
|
36-2407026-А-02 |
Крышка рукава
|
2 шт
|
|
|
40-2403015 |
Шестерня коническая со ступицей
|
1 шт
|
40-2403015
Шестерня коническая со ступицей
|
|
40-2409020-02 |
Корпус рычагов
|
1 шт
|
|
|
40-2409030 |
Рычаг переводной
|
1 шт
|
|
|
40-2409040-А-02 |
Тяга с пальцем
|
1 шт
|
|
|
45-2407015-А1-01 |
Рукав полуоси
|
2 шт
|
|
|
45-2409050-А-02 |
Кронштейн с педалью
|
1 шт
|
|
|
45Т-2401010 |
Крышка
|
1 шт
|
|
1 |
45-2401064-01 |
Крышка
|
1 шт
|
|
1 |
45Т-2401064-01 |
Крышка
|
1 шт
|
|
2 |
36-2401065-02 |
Прокладка
|
1 шт
|
|
3 |
40-2401071-02 |
Пробка
|
6 шт
|
|
4 |
36-4202095-02 |
Прокладка
|
1 шт
|
|
5 |
Д01-015 |
Штифт установочный
|
4 шт
|
|
6 |
А61-С18-А-01 |
Пробка
|
1 шт
|
|
7 |
ВД709411400-01 |
Заглушка
|
1 шт
|
|
8 |
М10х20.7796 |
Болт
|
4 шт
|
|
9 |
М10х25.7796 |
Болт
|
16 шт
|
|
10 |
10.65Г |
Шайба
|
20 шт
|
|
11 |
36-2403024-А1 |
Сателлит
|
2 шт
|
|
12 |
40-2403021 |
Венец шестерни
|
1 шт
|
|
13 |
36-2403022 |
Болт
|
6 шт
|
|
14 |
36-2403025-А1 |
Шайба сателлита упорная
|
2 шт
|
36-2403025-А1
Шайба сателлита упорная
|
15 |
36-2403026-А |
Ось сателлита
|
2 шт
|
|
16 |
36-2403027-Б |
Болт стопорный
|
2 шт
|
|
17 |
36-2403029 |
Шайба замковая
|
2 шт
|
|
18 |
36-2403032-А1 |
Ступица шестерни
|
1 шт
|
|
19 |
36-2403033 |
Ось дифференциала
|
1 шт
|
|
20 |
36-2403042-А |
Стакан подшипников правый
|
1 шт
|
|
21 |
36-2403043-А |
Стакан подшипников левый
|
1 шт
|
|
22 |
36-2403044-А |
Кольцо пружинное среднее
|
1 шт
|
|
23 |
36-2403045 |
Кольцо распорное
|
1 шт
|
|
24 |
36-2403046-А |
Кольцо пружинное большое
|
2 шт
|
|
25 |
36-2403048 |
Шестерня полуосевая
|
2 шт
|
36-2403048
Шестерня полуосевая
|
26 |
36-2403049 |
Шайба полуосевой шестерни опорная
|
2 шт
|
|
27 |
36-2403050 |
Шайба упорная
|
2 шт
|
|
28 |
36-2403051 |
Шайба нажимная
|
2 шт
|
|
29 |
36-2403052 |
Пластина замковая
|
2 шт
|
|
30 |
36-2403054-02 |
Кольцо
|
4 шт
|
|
31 |
36-2403055 |
Прокладка регулировочная
|
8 шт
|
|
32 |
36-2403056 |
Прокладка регулировочная
|
10 шт
|
|
33 |
36-2403057 |
Прокладка регулировочная
|
4 шт
|
|
34 |
36-2403059-Б |
Крышка стакана
|
2 шт
|
|
35 |
М14х30.7796 |
Болт
|
4 шт
|
|
36 |
М14х45.7796 |
Болт
|
1 шт
|
|
37 |
М14х55.7795 |
Болт
|
11 шт
|
|
38 |
М14х1,5.5918 |
Гайка
|
6 шт
|
|
39 |
14.65Г |
Шайба
|
12 шт
|
|
40 |
3,2х20 |
Шплинт
|
6 шт
|
|
41 |
411 |
Шарикоподшипник
|
2 шт
|
|
42 |
32216К |
Роликоподшипник
|
2 шт
|
|
43 |
292218К2 |
Роликоподшипник
|
2 шт
|
|
44 |
45-2407019-А |
Полуось
|
2 шт
|
|
45 |
36-2407018-А1 |
Рукав полуоси
|
2 шт
|
|
46 |
36-2407021-Б1 |
Сектор нажимной
|
4 шт
|
|
47 |
36-2407022 |
Шайба
|
8 шт
|
|
48 |
36-2407028-Б1 |
Крышка рукава
|
2 шт
|
|
49 |
36-2407029 |
Прокладка крышки рукава
|
2 шт
|
|
49 |
36-2407029-02 |
Прокладка
|
2 шт
|
|
50 |
36-2407031-02 |
Прокладка
|
2 шт
|
|
50 |
36-2407031-02 |
Прокладка
|
2 шт
|
|
51 |
36-2407036-А-01 |
Шестерня
|
2 шт
|
|
52 |
36-2407388 |
Шайба нажимная
|
2 шт
|
|
53 |
36-2407389 |
Пластина замковая малая
|
2 шт
|
|
54 |
М12х30.7796 |
Болт
|
8 шт
|
|
55 |
М16х50.7796 |
Болт
|
12 шт
|
|
56 |
М16х70.7795 |
Болт
|
2 шт
|
|
57 |
М16х1,5х30.7796 |
Болт
|
2 шт
|
|
58 |
12.65Г |
Шайба
|
8 шт
|
|
59 |
16.65Г |
Шайба
|
14 шт
|
|
60 |
317 |
Шарикоподшипник
|
4 шт
|
|
61 |
40-2409035 |
Рычаг
|
1 шт
|
|
62 |
40-2409047-А2-02 |
Тяга
|
1 шт
|
|
63 |
40-2409070 |
Сапун
|
1 шт
|
|
64 |
36-2409015 |
Муфта соединительная
|
1 шт
|
|
65 |
36-2409016 |
Валик плавающий
|
1 шт
|
|
66 |
45-2409018 |
Палец блокировочной тяги
|
1 шт
|
|
67 |
40-2409025 |
Корпус рычагов
|
1 шт
|
|
68 |
36-2409032-А |
Вилка включения
|
1 шт
|
|
69 |
40-2409039 |
Палец тяги
|
1 шт
|
|
70 |
36-2409041-02 |
Кольцо
|
1 шт
|
|
71 |
40-2409046-02 |
Прокладка
|
1 шт
|
|
72 |
36-2409047-02 |
Шайба
|
1 шт
|
|
73 |
40-2409048-А-02 |
Планка
|
1 шт
|
|
74 |
40-2409049-А |
Рычаг тяги
|
1 шт
|
|
75 |
40-2409051-02 |
Ось
|
1 шт
|
|
76 |
45-2409054-А1 |
Педаль
|
1 шт
|
|
77 |
45-2409056 |
Кронштейн
|
1 шт
|
|
78 |
36-3503037-02 |
Пружина
|
1 шт
|
|
79 |
36-1702110-01 |
Винт
|
1 шт
|
|
80 |
40-4605174 |
Кольцо стопорное
|
2 шт
|
|
81 |
40-4605219-Б |
Штифт установочный
|
2 шт
|
|
82 |
М10х20.7796 |
Болт
|
6 шт
|
|
83 |
12.02 |
Шайба
|
1 шт
|
|
84 |
18.02 |
Шайба
|
1 шт
|
|
85 |
4х22 |
Шплинт
|
3 шт
|
|
86 |
4х25 |
Шплинт
|
1 шт
|
|
96 |
40-2401071-02 |
Пробка
|
4 шт
|
|
104 |
11.2-85х110-1 |
Манжета
|
4 шт
|
|
105 |
36-2407390 |
Кольцо
|
2 шт
|
|
Список просмотренных товаров пуст
AlfaSystems GoPro GP261D21