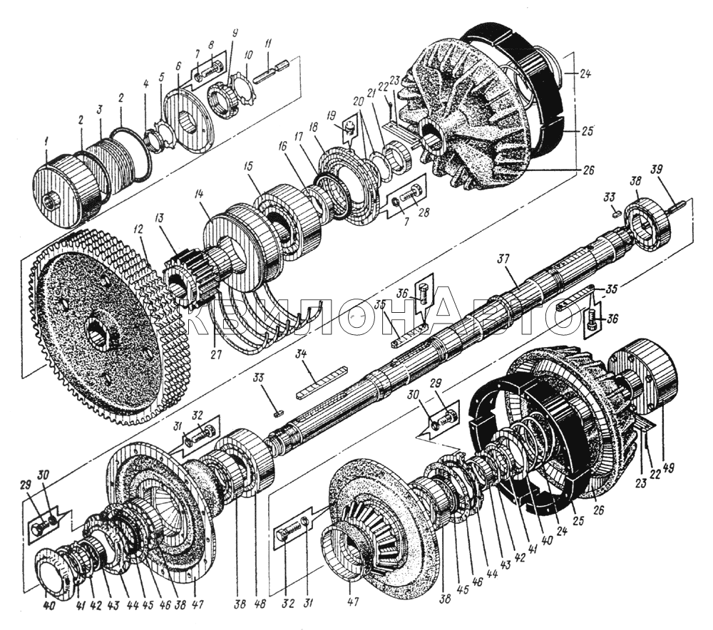
652Б.036 Вал горизонтальный в сборе
| № |
Артикул |
Наименование детали |
Кол-во в узле |
| 1 |
264.10.10 |
Цилиндр сварной
|
2 шт
|
|
| 2 |
КРУ-Н1-200х0-2 |
Кольцо
|
4 шт
|
|
| 3 |
264.10.04 |
Поршень
|
2 шт
|
|
| 4 |
ГКШ-М64х2 |
Гайка
|
2 шт
|
|
| 5 |
652Б.036.00.10 |
Шайба
|
2 шт
|
|
| 6 |
652.032.00.43 |
Крышка цилиндра
|
2 шт
|
|
| 7 |
ШП-10 |
Шайба
|
18 шт
|
|
| 8 |
БНТ-М10х25 |
Болт
|
12 шт
|
|
| 9 |
652.032.00.60 |
Гайка
|
1 шт
|
|
| 10 |
ШСМЛ-80 |
Шайба
|
1 шт
|
|
| 11 |
652Б.036.00.3 |
Шток левый
|
1 шт
|
|
| 12 |
652Б.036.00.8 |
Звездочка
|
1 шт
|
|
| 13 |
652Б.036.00.5 |
Шестерня
|
1 шт
|
|
| 14 |
652Б.032.00.65 |
Обойма левая
|
1 шт
|
|
| 15 |
3620 |
Подшипник
|
1 шт
|
|
| 16 |
652Б.036.00.7 |
Втулка
|
1 шт
|
|
| 17 |
AРМ-1d-12х150-2 |
Манжета
|
1 шт
|
|
| 18 |
652.051.00.35 |
Крышка обоймы
|
1 шт
|
|
| 19 |
ТШ-1.3 |
Масленка
|
3 шт
|
|
| 20 |
652.032.00.59 |
Кольцо установочное
|
2 шт
|
|
| 21 |
652.032.00.58 |
Кольцо
|
1 шт
|
|
| 22 |
Ш-6,3х50 |
Шплинт
|
4 шт
|
|
| 23 |
652Б.036.00.2 |
Чека
|
2 шт
|
|
| 24 |
652.032.00.13 |
Пружина
|
2 шт
|
|
| 25 |
652.032.02 |
Колодка фрикционной муфты
|
8 шт
|
|
| 26 |
652Б.036.00.1 |
Шкив
|
2 шт
|
|
| 27 |
652.032.00.32 |
Полукольцо установочное
|
6 шт
|
|
| 27 |
652.032.00.32.01 |
Полукольцо установочное
|
6 шт
|
|
| 28 |
БНTм10х20 |
Болт
|
6 шт
|
|
| 29 |
БНТ-М8х25 |
Болт
|
12 шт
|
|
| 30 |
ШП-8 |
Шайба
|
12 шт
|
|
| 31 |
ШП-12 |
Шайба
|
24 шт
|
|
| 32 |
БНТ-М12х30 |
Болт
|
24 шт
|
|
| 33 |
ШП-3-12х8х32 |
Шпонка
|
2 шт
|
|
| 34 |
652Б.036.00.6 |
Шпонка
|
1 шт
|
|
| 35 |
652Б.036.00.9 |
Шпонка
|
4 шт
|
|
| 36 |
ВЛТ-М5х22 |
Винт
|
8 шт
|
|
| 37 |
652Б.036.01.1 |
Вал горизонтальный
|
1 шт
|
|
| 38 |
7518 |
Подшипник
|
4 шт
|
7518
Подшипник
Розница
44.00 руб.
Розница
43.00 руб.
|
| 39 |
652Б.036.00.4 |
Шток правый
|
1 шт
|
|
| 40 |
652.032.00.39 |
Шайба
|
2 шт
|
|
| 41 |
652Б.032.06.1 |
Гайка круглая
|
2 шт
|
|
| 42 |
ШСМЛ-90 |
Шайба
|
2 шт
|
|
| 43 |
652.032.00.47 |
Втулка
|
2 шт
|
|
| 44 |
652А.032.00.64 |
Крышка
|
2 шт
|
|
| 45 |
APM-1.1-100x125-1 |
Манжета
|
2 шт
|
|
| 46 |
652.032.00.49 |
Прокладка
|
2 шт
|
|
| 47 |
652.032.01 |
Колесо зубчатое коническое в сборе
|
2 шт
|
|
| 48 |
3618 |
Подшипник
|
1 шт
|
|
| 49 |
264.10.00 |
Цилиндр пневматический
|
2 шт
|
|
Список просмотренных товаров пуст
AlfaSystems GoPro GP261D21