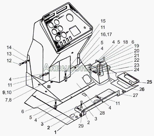
Установка панелей щитка приборов, установка кожуха и уплотнителя
№ |
Артикул |
Наименование детали |
Кол-во в узле |
|
354-6700300 |
Установка панелей щитка приборов
|
1 шт
|
|
|
МЛ127-1700020 |
Установка кожуха и уплотнителя
|
1 шт
|
|
1 |
80-6702315-Б |
Панель
|
1 шт
|
80-6702315-Б
Панель
|
2 |
4598166046 |
Шайба 8Т
|
5 шт
|
|
3 |
М8-6gх16.88.35.019 |
Болт
|
5 шт
|
|
4 |
С6.01.019 |
Шайба
|
32 шт
|
|
5 |
4598166045 |
Шайба 6Т
|
20 шт
|
|
6 |
М6-6gх16.88.35.019 |
Болт
|
23 шт
|
|
7 |
80-6700300 |
Панель
|
1 шт
|
80-6700300
Панель
|
8 |
80-6700300-А |
Панель
|
1 шт
|
|
9 |
80-6702320 |
Боковина
|
1 шт
|
80-6702320
Боковина
|
10 |
80-6702328-01 |
Накладка
|
1 шт
|
80-6702328-01
Накладка
|
11 |
M6-6gx25.88.35.019 |
Винт
|
11 шт
|
|
12 |
M8-6gx40.88.35.019 |
Болт
|
1 шт
|
|
13 |
С8.01.019 |
Шайба
|
2 шт
|
|
14 |
354-6700320 |
Панель
|
1 шт
|
|
15 |
МЛ131-6700330 |
Панель
|
1 шт
|
|
16 |
80-6702330 |
Боковина
|
1 шт
|
80-6702330
Боковина
|
17 |
80-6702328 |
Накладка
|
1 шт
|
|
18 |
А61.01.014 |
Рукоятка
|
1 шт
|
А61.01.014
Рукоятка
|
19 |
80-1723060 |
Рычаг
|
1 шт
|
|
20 |
70-1723063 |
Клин
|
1 шт
|
70-1723063
Клин
|
21 |
С10.01.019 |
Шайба
|
1 шт
|
|
22 |
4598166067 |
Шайба 10ОТ
|
1 шт
|
|
23 |
М10-6Н.6.019 |
Гайка
|
1 шт
|
|
24 |
80-6700370-Б |
Кожух
|
1 шт
|
80-6700370-Б
Кожух
|
25 |
354-6702815 |
Накладка
|
1 шт
|
|
26 |
354-6702310 |
Полик
|
1 шт
|
|
27 |
80-6702085-01 |
Крышка
|
1 шт
|
|
28 |
M6-6gx20.88.35.019 |
Болт
|
3 шт
|
|
29 |
70-6702111 |
Угольник
|
2 шт
|
|
Список просмотренных товаров пуст
AlfaSystems GoPro GP261D21