Валец вибрационный ДУ-96.263.000-01, -06, -07 (деталировка)
№ |
Артикул |
Наименование детали |
Кол-во в узле |
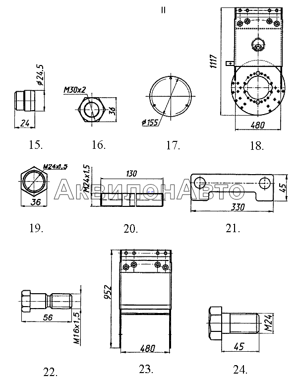
15 |
ДУ-63.114.038 |
Заглушка
|
2 шт
|
|
16 |
ДУ-63.126.015-05 |
Гайка
|
2 шт
|
|
17 |
ДУ-96.263.038 |
Крышка
|
1 шт
|
|
18 |
ДУ-96.263.120-01 |
Опора
|
Для ДУ-96.263.000-01 шт
|
|
18 |
ДУ-96.263.120-02 |
Опора
|
Для ДУ-96.263.000-06 и ДУ-96.263.000-07 шт
|
|
19 |
ДМ-14.03.001-06 |
Гайка
|
16 шт
|
|
20 |
ДУ-96.263.015 |
Шпилька
|
8 шт
|
|
21 |
ДУ-96.263.023 |
Планка
|
6 шт
|
|
22 |
ДМ-20.03.001-01 |
Болт
|
18 шт
|
|
23 |
ДУ-96.263.140 |
Опора
|
1 шт
|
|
24 |
ДУ-73.183.003 |
Болт
|
16 шт
|
|
Список просмотренных товаров пуст
AlfaSystems GoPro GP261D21