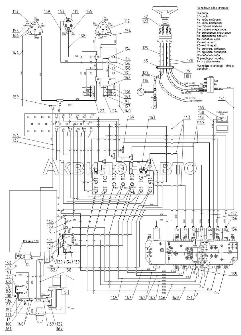
314-90-80.04.000-10 Гидроуправление экскаватором
№ |
Артикул |
Наименование детали |
Кол-во в узле |
6 |
314-30-80.04.020 |
Клапан «ИЛИ»
|
2 шт
|
|
17 |
ЭО-3322А.23.02.260 |
Включатель манометра
|
1 шт
|
|
23 |
13.80.04.940-10 |
Блок управления
|
1 шт
|
|
24 |
13.80.04.960-10 |
Блок управления
|
1 шт
|
|
27 |
64002.10.000-10 |
Пневмогидроаккумулятор
|
1 шт
|
|
48 |
ЭО-3322А.23.03.008 |
Хомут
|
2 шт
|
|
52 |
312-30-80.04.004 |
Штуцер
|
4 шт
|
|
63 |
Э-302-1-1200-40 |
Втулка предохранительная
|
8 шт
|
|
65 |
18.15.01.001 |
Планка
|
1 шт
|
|
78 |
М8-6gх20.58.016 |
Болт
|
4 шт
|
|
79 |
М10-6gх20.58.016 |
Болт
|
2 шт
|
|
88 |
М8-6Н.5.016 |
Гайка
|
4 шт
|
|
94 |
012-016-25-2-3 |
Кольцо
|
7 шт
|
|
100 |
8.65Г.016 |
Шайба
|
4 шт
|
|
101 |
10.65Г.016 |
Шайба
|
2 шт
|
|
104 |
С8.01.08кп.019 |
Шайба
|
4 шт
|
|
111 |
2TH7Q91-1X/L70MO1 |
Клапан
|
1 шт
|
|
112 |
4TH6E70-14/ST23MO1 |
Клапан
|
1 шт
|
|
113 |
4TH6E70-1X/ТT43MO1 |
Клапан
|
1 шт
|
|
116 |
МТП-3-16МПа-1,5 |
Манометр
|
1 шт
|
|
122 |
400-766-5590 |
Прокладка
|
3 шт
|
|
123 |
400-769-5590 |
Прокладка
|
4 шт
|
|
127 |
ТУ3148-001-20871731-94 |
Рукав РВД 25-30-650
|
1 шт
|
|
128 |
ТУ3148-001-20871731-94 |
Рукав РВД 25-30-650
|
2 шт
|
|
129 |
ТУ3148-001-20871731-94 |
Рукав РВД 25-30-650
|
1 шт
|
|
131 |
2SN-8-350-130 |
РВД
|
10 шт
|
|
133 |
2SN-8-350-200 |
РВД
|
2 шт
|
|
134 |
2SN-8-350-400 |
РВД
|
2 шт
|
|
135 |
2SN-8-350-400 |
РВД
|
1 шт
|
|
136 |
2SN-8-350-500 |
РВД
|
5 шт
|
|
137 |
2SN-8-350-650 |
РВД
|
2 шт
|
|
138 |
2SN-8-350-750 |
РВД
|
2 шт
|
|
139 |
2SN-8-350-750 |
РВД
|
5 шт
|
|
140 |
2SN-8-350-850 |
РВД
|
4 шт
|
|
141 |
2SN-8-350-950 |
РВД
|
1 шт
|
|
142 |
2SN-8-350-1000 |
РВД
|
3 шт
|
|
143 |
2SN-8-350-1000 |
РВД
|
4 шт
|
|
144 |
2SN-8-350-1100 |
РВД
|
2 шт
|
|
145 |
2SN-8-350-1200 |
РВД
|
1 шт
|
|
146 |
2SN-8-350-1200 |
РВД
|
2 шт
|
|
147 |
2SN-8-350-1300 |
РВД
|
1 шт
|
|
148 |
2SN-8-350-1450 |
РВД
|
1 шт
|
|
149 |
2SN-8-350-1450 |
РВД
|
2 шт
|
|
150 |
2SN-6-400-1450 |
РВД
|
1 шт
|
|
151 |
2SN-8-350-1700 |
РВД
|
2 шт
|
|
152 |
2SN-8-350-1700 |
РВД
|
4 шт
|
|
153 |
2SN-8-350-1900 |
РВД
|
8 шт
|
|
154 |
2SN-8-350-2200 |
РВД
|
5 шт
|
|
155 |
2SN-8-350-2600 |
РВД
|
2 шт
|
|
157 |
100406.1 |
Адаптер
|
7 шт
|
|
158 |
104006.1 |
Адаптер
|
2 шт
|
|
159 |
103906.1 |
Адаптер
|
9 шт
|
|
160 |
305102 |
Адаптер
|
1 шт
|
|
161 |
101806.1 |
Адаптер
|
3 шт
|
|
162 |
101828.1 |
Адаптер
|
4 шт
|
|
163 |
101306.1 |
Адаптер
|
7 шт
|
|
165 |
100605.1 |
Адаптер
|
1 шт
|
|
166 |
100506.1 |
Адаптер
|
48 шт
|
|
167 |
100606.1 |
Адаптер
|
3 шт
|
|
169 |
104606.1 |
Адаптер
|
17 шт
|
|
170 |
8048L1000 |
Адаптер
|
17 шт
|
|
171 |
8047L1000 |
Адаптер
|
1 шт
|
|
Список просмотренных товаров пуст
AlfaSystems GoPro GP261D21